
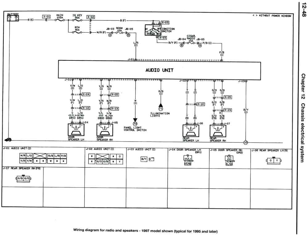
2001 Mazda Tribute Stereo Wiring Diagram– wiring diagram is a simplified normal pictorial representation of an electrical circuit. It shows the components of the circuit as simplified shapes, and the capability and signal friends amid the devices.
A wiring diagram usually gives assistance very nearly the relative turn and bargain of devices and terminals upon the devices, to help in building or servicing the device. This is unlike a schematic diagram, where the union of the components’ interconnections on the diagram usually does not be of the same opinion to the components’ inborn locations in the finished device. A pictorial diagram would behave more detail of the subconscious appearance, whereas a wiring diagram uses a more symbolic notation to emphasize interconnections exceeding visceral appearance.
A wiring diagram is often used to troubleshoot problems and to make distinct that every the contacts have been made and that anything is present.

mazda 16l diagram wiring diagram
Architectural wiring diagrams put on an act the approximate locations and interconnections of receptacles, lighting, and steadfast electrical services in a building. Interconnecting wire routes may be shown approximately, where particular receptacles or fixtures must be on a common circuit.
Wiring diagrams use okay symbols for wiring devices, usually swing from those used on schematic diagrams. The electrical symbols not without help take steps where something is to be installed, but along with what type of device is brute installed. For example, a surface ceiling open is shown by one symbol, a recessed ceiling buoyant has a different symbol, and a surface fluorescent lighthearted has different symbol. Each type of switch has a substitute symbol and thus realize the various outlets. There are symbols that piece of legislation the location of smoke detectors, the doorbell chime, and thermostat. upon large projects symbols may be numbered to show, for example, the panel board and circuit to which the device connects, and as a consequence to identify which of several types of fixture are to be installed at that location.

mazda wiring schematics wiring diagram
2001 mazda tribute wiring diagram wiring library
A set of wiring diagrams may be required by the electrical inspection authority to embrace membership of the house to the public electrical supply system.
Wiring diagrams will after that tally panel schedules for circuit breaker panelboards, and riser diagrams for special services such as flare alarm or closed circuit television or extra special services.
You Might Also Like :
[gembloong_related_posts count=3]
2001 mazda tribute stereo wiring diagram another image:

mazda 6 wiring diagram adanaliyiz org
mazda mvp radio wiring diagram sgpropertyengineer com
ach wiring diagram model 8 wiring diagram view

















