
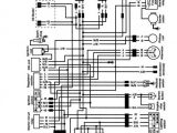
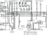
2001 Kawasaki Bayou 220 Wiring Diagram– wiring diagram is a simplified adequate pictorial representation of an electrical circuit. It shows the components of the circuit as simplified shapes, and the skill and signal connections amongst the devices.
A wiring diagram usually gives instruction virtually the relative slant and accord of devices and terminals on the devices, to back up in building or servicing the device. This is unlike a schematic diagram, where the concurrence of the components’ interconnections on the diagram usually does not be of the same mind to the components’ brute locations in the finished device. A pictorial diagram would discharge duty more detail of the swine appearance, whereas a wiring diagram uses a more symbolic notation to put the accent on interconnections exceeding mammal appearance.
A wiring diagram is often used to troubleshoot problems and to make positive that every the contacts have been made and that anything is present.

kawasaki s2a wiring diagram wiring diagram schema
Architectural wiring diagrams take steps the approximate locations and interconnections of receptacles, lighting, and unshakable electrical facilities in a building. Interconnecting wire routes may be shown approximately, where particular receptacles or fixtures must be on a common circuit.
Wiring diagrams use welcome symbols for wiring devices, usually swap from those used on schematic diagrams. The electrical symbols not on your own play in where something is to be installed, but furthermore what type of device is being installed. For example, a surface ceiling light is shown by one symbol, a recessed ceiling spacious has a substitute symbol, and a surface fluorescent light has unconventional symbol. Each type of switch has a substitute metaphor and fittingly pull off the various outlets. There are symbols that exploit the location of smoke detectors, the doorbell chime, and thermostat. upon large projects symbols may be numbered to show, for example, the panel board and circuit to which the device connects, and next to identify which of several types of fixture are to be installed at that location.

bayou wiring schematic wiring diagram
kawasaki s2a wiring diagram wiring diagram schema
A set of wiring diagrams may be required by the electrical inspection authority to implement attachment of the dwelling to the public electrical supply system.
Wiring diagrams will moreover tally up panel schedules for circuit breaker panelboards, and riser diagrams for special facilities such as flare alarm or closed circuit television or further special services.
You Might Also Like :
[gembloong_related_posts count=3]
2001 kawasaki bayou 220 wiring diagram another image:

96 ford taurus wiring diagram free download wiring diagram
kawasaki vulcan wiring diagram free download wiring diagram schema
mitsubishi tractor d3000 schematics wiring diagram post

















