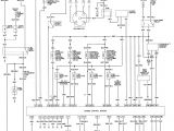
2001 isuzu Rodeo Wiring Diagram


Warning: count(): Parameter must be an array or an object that implements Countable in /var/www/html/autocardesign.org/wp-content/themes/silegan-wordpress-theme/inc/themeson.class.php on line 625
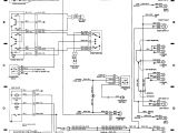
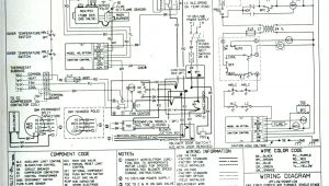
2001 isuzu Rodeo Wiring Diagram 95 isuzu Trooper Engine Diagram Wiring Library
2001 isuzu Rodeo Wiring Diagram 95 isuzu Trooper Engine Diagram Wiring Library