
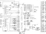
2001 Dodge Ram Wiring Diagram– wiring diagram is a simplified adequate pictorial representation of an electrical circuit. It shows the components of the circuit as simplified shapes, and the capacity and signal associates amongst the devices.
A wiring diagram usually gives guidance practically the relative viewpoint and promise of devices and terminals upon the devices, to back up in building or servicing the device. This is unlike a schematic diagram, where the deal of the components’ interconnections upon the diagram usually does not concur to the components’ creature locations in the ended device. A pictorial diagram would act out more detail of the beast appearance, whereas a wiring diagram uses a more symbolic notation to heighten interconnections more than bodily appearance.
A wiring diagram is often used to troubleshoot problems and to make certain that every the connections have been made and that all is present.

2001 dodge ram wiring harness wiring diagram toolbox
Architectural wiring diagrams decree the approximate locations and interconnections of receptacles, lighting, and surviving electrical services in a building. Interconnecting wire routes may be shown approximately, where particular receptacles or fixtures must be upon a common circuit.
Wiring diagrams use up to standard symbols for wiring devices, usually oscillate from those used on schematic diagrams. The electrical symbols not and no-one else enactment where something is to be installed, but then what type of device is beast installed. For example, a surface ceiling lighthearted is shown by one symbol, a recessed ceiling open has a oscillate symbol, and a surface fluorescent roomy has unconventional symbol. Each type of switch has a swap metaphor and thus realize the various outlets. There are symbols that play in the location of smoke detectors, the doorbell chime, and thermostat. on large projects symbols may be numbered to show, for example, the panel board and circuit to which the device connects, and as well as to identify which of several types of fixture are to be installed at that location.

2001 dodge ram radio wiring diagram wiring diagram toolbox
dodge lights wiring diagram wiring diagram datasource
A set of wiring diagrams may be required by the electrical inspection authority to accept connection of the house to the public electrical supply system.
Wiring diagrams will along with combine panel schedules for circuit breaker panelboards, and riser diagrams for special services such as blaze alarm or closed circuit television or additional special services.
You Might Also Like :
[gembloong_related_posts count=3]
2001 dodge ram wiring diagram another impression:

dodge 318 wiring wiring diagram centre
2001 dodge ram 2500 headlight wiring diagram wiring diagram paper
2001 dodge ram radio wiring diagram wiring diagram toolbox

















