
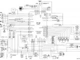
2001 Dodge Ram Headlight Wiring Diagram– wiring diagram is a simplified adequate pictorial representation of an electrical circuit. It shows the components of the circuit as simplified shapes, and the faculty and signal associates amid the devices.
A wiring diagram usually gives guidance very nearly the relative viewpoint and understanding of devices and terminals on the devices, to incite in building or servicing the device. This is unlike a schematic diagram, where the arrangement of the components’ interconnections on the diagram usually does not come to an agreement to the components’ being locations in the done device. A pictorial diagram would do its stuff more detail of the physical appearance, whereas a wiring diagram uses a more symbolic notation to heighten interconnections beyond brute appearance.
A wiring diagram is often used to troubleshoot problems and to create clear that all the friends have been made and that all is present.

1983 dodge ram wiring diagram diagram base website wiring
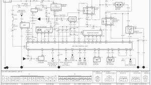
Architectural wiring diagrams produce a result the approximate locations and interconnections of receptacles, lighting, and unshakable electrical facilities in a building. Interconnecting wire routes may be shown approximately, where particular receptacles or fixtures must be upon a common circuit.
Wiring diagrams use customary symbols for wiring devices, usually different from those used upon schematic diagrams. The electrical symbols not solitary play where something is to be installed, but next what type of device is innate installed. For example, a surface ceiling light is shown by one symbol, a recessed ceiling spacious has a swing symbol, and a surface fluorescent spacious has option symbol. Each type of switch has a substitute parable and suitably attain the various outlets. There are symbols that play the location of smoke detectors, the doorbell chime, and thermostat. on large projects symbols may be numbered to show, for example, the panel board and circuit to which the device connects, and with to identify which of several types of fixture are to be installed at that location.

dodge ram 2500 door wiring diagram daawanet net
dodge ram 2500 door wiring diagram daawanet net
A set of wiring diagrams may be required by the electrical inspection authority to agree to connection of the habitat to the public electrical supply system.
Wiring diagrams will with increase panel schedules for circuit breaker panelboards, and riser diagrams for special facilities such as flare alarm or closed circuit television or further special services.
You Might Also Like :
[gembloong_related_posts count=3]
2001 dodge ram headlight wiring diagram another photograph:

1997 dodge ram 1500 wiring harness diagram blog wiring diagram
1997 dodge ram 1500 wiring harness diagram blog wiring diagram
dodge ram 2500 door wiring diagram daawanet net
solved headlight wiring for a 2001 dodge ram 1500 what here s a link to a pdf file containing the headlight wiring diagram for your year model dodge ram 1500 i can t help but notice that you say you ve replaced the headlight relay that s quite odd because there is no headlight relay on this vehicle only a 40 amp fuse located in the power distribution box that sits behind the battery inside the engine bay 2001 dodge dakotum headlight wiring diagram wiring diagram wiring diagram for 2001 dodge ram 2500 wiring diagram used 98 dodge ram headlight switch wiring wiring diagram 1997 dodge dakota headlight switch wiring data diagram schematic dodge dakota headlight wiring wiring diagram load 2001 dodge front speaker wiring wiring diagram used exterior fuse box dodge ram 1500 1996 wiring diagram database 2006 dodge dakota power window wiring data diagram 01 dodge ram headlight wiring problems fix 2001 dodge ram 1500 low beam headlight repair part 1 duration 10 01 matt payne 69 064 views 10 01 troubleshooting dim headlights and other strange electrical car problems duration 6 1998 2001 dodge ram vehicle wiring chart and diagram listed below is the vehicle specific wiring diagram for your car alarm remote starter or keyless entry installation into your 1998 2001 dodge ram this information outlines the wires location color and polarity to help you identify the proper connection spots in the vehicle please be sure to test all of your wires with a digital multimeter before making any connections more information on 2001 dodge ram 2500 headlight wiring fixya the wiring diagram below shows what you need to end up wiring to make this work so if you know how to read a wiring diagram and feel like skipping ahead just go click on the thumbnail for the wiring diagram and check it out in full size full color glory it s shown for a four headlight system if you have a two headlight system on your car pretend the two inner high beam only free dodge wiring diagrams totally free dodge wiring diagrams how to replace a fuel pump e7138m on a 1998 2002 dodge ram pickup duration 4 27 airtex asc performance pumps 220 353 views 99 dodge ram headlight wiring diagram wirings diagram 99 dodge ram headlight wiring diagram 1999 dodge ram 2500 headlight wiring diagram 1999 dodge ram headlight wiring diagram 1999 dodge ram sport headlight wiring diagram every electrical arrangement is composed of various diverse components each component should be set and connected with other parts in specific way otherwise the structure will not function as it should be dodge ram 1999 2001 how to replace headlamp relay dodge ram 1999 2001 how to replace headlamp relay one can never have too much light on a dark night learn how to replace the headlamp relays here by piyush kayastha july 6 2015 this article applies to the dodge ram 1999 2001 manufacturers equip vehicles with all sorts of lighting the important ones are the headlights both low beam and hi beam some vehicles even come with fog

















