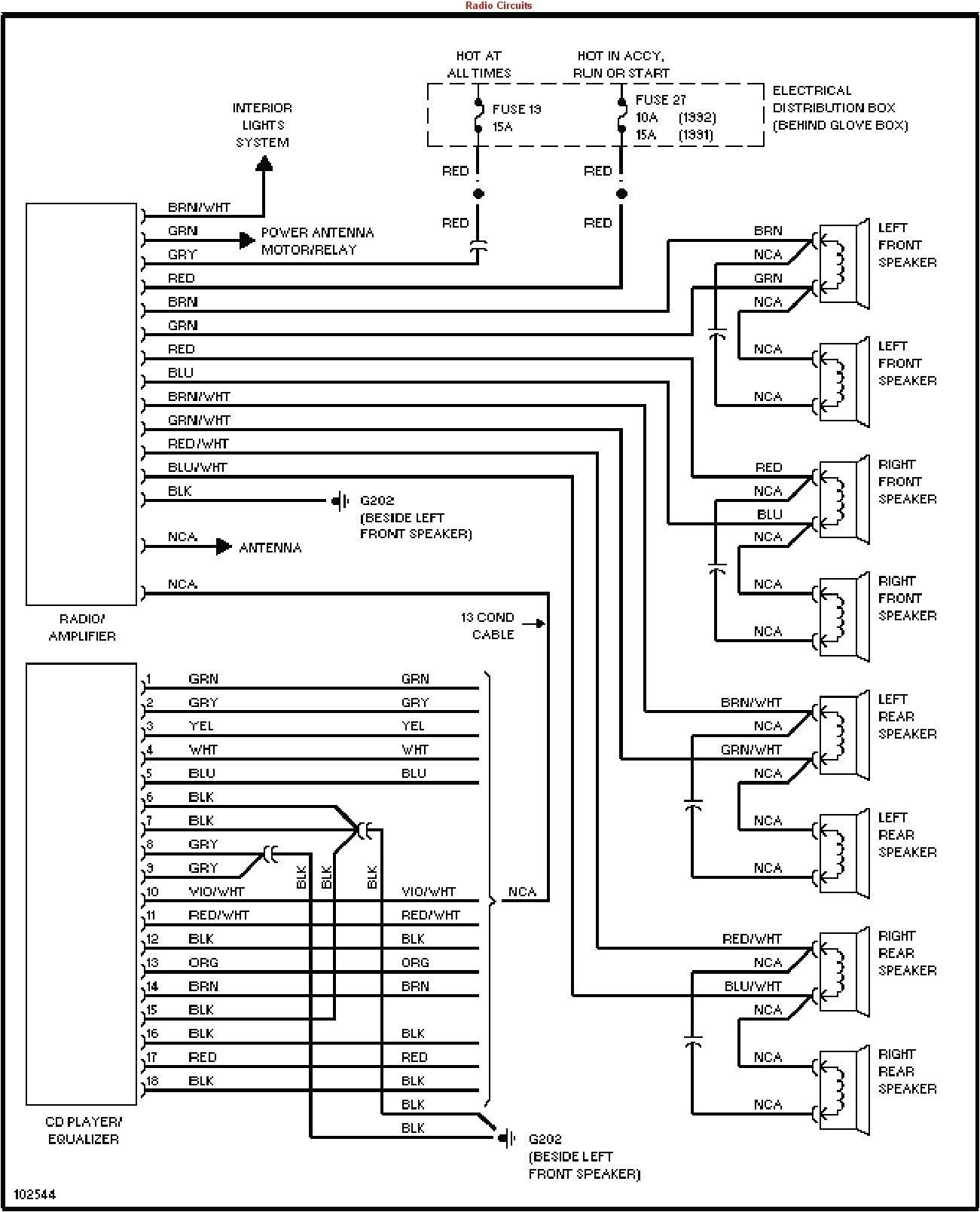
2001 Dodge Ram 3500 Headlight Wiring Diagram


Warning: count(): Parameter must be an array or an object that implements Countable in /var/www/html/autocardesign.org/wp-content/themes/silegan-wordpress-theme/inc/themeson.class.php on line 625
2001 Dodge Ram 3500 Headlight Wiring Diagram 97 Dodge Ram Trailer Wiring Diagram Roti Fuse15 Klictravel Nl
2001 Dodge Ram 3500 Headlight Wiring Diagram 97 Dodge Ram Trailer Wiring Diagram Roti Fuse15 Klictravel Nl