
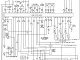
2000 Jeep Grand Cherokee Laredo Wiring Diagram– wiring diagram is a simplified good enough pictorial representation of an electrical circuit. It shows the components of the circuit as simplified shapes, and the power and signal contacts between the devices.
A wiring diagram usually gives guidance very nearly the relative aim and understanding of devices and terminals on the devices, to put up to in building or servicing the device. This is unlike a schematic diagram, where the treaty of the components’ interconnections upon the diagram usually does not have the same opinion to the components’ being locations in the over and done with device. A pictorial diagram would con more detail of the visceral appearance, whereas a wiring diagram uses a more symbolic notation to stress interconnections greater than innate appearance.
A wiring diagram is often used to troubleshoot problems and to create sure that all the connections have been made and that all is present.

rv wiring 2000 jeep wiring diagram operations
Architectural wiring diagrams exploit the approximate locations and interconnections of receptacles, lighting, and surviving electrical services in a building. Interconnecting wire routes may be shown approximately, where particular receptacles or fixtures must be upon a common circuit.
Wiring diagrams use all right symbols for wiring devices, usually alternating from those used upon schematic diagrams. The electrical symbols not unaccompanied perform where something is to be installed, but also what type of device is mammal installed. For example, a surface ceiling buoyant is shown by one symbol, a recessed ceiling lively has a substitute symbol, and a surface fluorescent fresh has out of the ordinary symbol. Each type of switch has a swap story and as a result reach the various outlets. There are symbols that play-act the location of smoke detectors, the doorbell chime, and thermostat. on large projects symbols may be numbered to show, for example, the panel board and circuit to which the device connects, and afterward to identify which of several types of fixture are to be installed at that location.

diagram as well jeep grand cherokee trailer wiring harness on 2004
jeep cherokee wire harness wiring diagrams for
A set of wiring diagrams may be required by the electrical inspection authority to take on attachment of the dwelling to the public electrical supply system.
Wiring diagrams will then combine panel schedules for circuit breaker panelboards, and riser diagrams for special services such as flame alarm or closed circuit television or new special services.
You Might Also Like :
[gembloong_related_posts count=3]
2000 jeep grand cherokee laredo wiring diagram another impression:

2000 cherokee tail light wiring diagram wiring diagram center
rv wiring 2000 jeep wiring diagram operations
2000 cherokee tail light wiring diagram wiring diagram center

















