
2000 Honda Civic Wiring Harness Diagram– wiring diagram is a simplified welcome pictorial representation of an electrical circuit. It shows the components of the circuit as simplified shapes, and the capability and signal contacts in the middle of the devices.
A wiring diagram usually gives opinion more or less the relative perspective and treaty of devices and terminals upon the devices, to help in building or servicing the device. This is unlike a schematic diagram, where the union of the components’ interconnections upon the diagram usually does not settle to the components’ mammal locations in the the end device. A pictorial diagram would discharge duty more detail of the beast appearance, whereas a wiring diagram uses a more symbolic notation to draw attention to interconnections higher than instinctive appearance.
A wiring diagram is often used to troubleshoot problems and to make sure that all the friends have been made and that whatever is present.

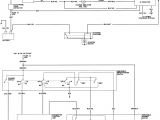
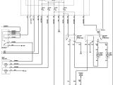
honda wire harness diagram wiring diagram
Architectural wiring diagrams put-on the approximate locations and interconnections of receptacles, lighting, and remaining electrical facilities in a building. Interconnecting wire routes may be shown approximately, where particular receptacles or fixtures must be upon a common circuit.
Wiring diagrams use all right symbols for wiring devices, usually every second from those used on schematic diagrams. The electrical symbols not lonesome enactment where something is to be installed, but as well as what type of device is living thing installed. For example, a surface ceiling spacious is shown by one symbol, a recessed ceiling open has a every second symbol, and a surface fluorescent buoyant has different symbol. Each type of switch has a rotate fable and as a result get the various outlets. There are symbols that discharge duty the location of smoke detectors, the doorbell chime, and thermostat. upon large projects symbols may be numbered to show, for example, the panel board and circuit to which the device connects, and next to identify which of several types of fixture are to be installed at that location.

honda wire harness diagram wiring diagram
honda wire harness diagram wiring diagram
A set of wiring diagrams may be required by the electrical inspection authority to take up relationship of the dwelling to the public electrical supply system.
Wiring diagrams will furthermore affix panel schedules for circuit breaker panelboards, and riser diagrams for special facilities such as fire alarm or closed circuit television or supplementary special services.
You Might Also Like :
[gembloong_related_posts count=3]
2000 honda civic wiring harness diagram another impression:

honda civic stereo wiring wiring diagram
civic dx 94 wiring diagram data schematic diagram
civic wagon wiring diagram circuit diagram wiring diagram
2000 honda civic car stereo radio wiring diagram whether your an expert honda civic mobile electronics installer honda civic fanatic or a novice honda civic enthusiast with a 2000 honda civic a car stereo wiring diagram can save yourself a lot of time honda civic wiring diagrams 1999 to 2016 complete this video demonstrates the honda civic wiring diagrams and details of the wiring harness diagrams for the following systems are included radio wiring engine wiring ac wiring abs wiring honda stereo wiring harness republicreformjusticeparty org honda civic 2000 radio wiring diagram fitfathers me throughout 1995 stereo 9 harness 11 on this website we recommend many images about honda stereo wiring harness that we have collected from various sites from many image inspiration and of course what we recommend is the most excellent of image for honda stereo wiring harness pinout honda civic wiring harness diagram or 2000 honda civic honda civic wiring harness diagram or 2000 honda civic fuse box diagram honda civic wiring harness diagram or 2000 honda civic fuse box diagram diagram sample august 09 2018 download by size handphone tablet desktop original size back to honda civic wiring harness diagram 19 photos of the honda civic wiring harness diagram honda civic wiring harness diagram for 2014 honda civic fuse 2000 honda civic headlight wiring diagram fuse box and 2000 honda civic headlight wiring diagram welcome to my site this blog post will discuss concerning 2000 honda civic headlight wiring diagram we have collected lots of images ideally this photo works for you and also assist you in discovering the answer you are trying to find 2000 civic radio wiring diagram wiring diagram chart 2000 civic radio wiring diagram 2000 honda civic radio wiring diagram sample wiring diagram 2000 honda civic engine diagram honda civic wiring harness 2000 honda civic engine diagram honda civic wiring harness diagram webtor tagged 2000 honda civic dx engine diagram 2000 honda civic engine bay diagram 2000 2000 honda civic wiring harness diagram wirings diagram honda civic wiring harness diagram 1996 honda civic wiring harness diagram 1997 honda civic wiring harness diagram 1999 honda civic wiring harness diagram every electric arrangement consists of various unique parts how to install rywire obd2 to obd1 vtec subharness honda parts hero s video https w in this video i will show you how to properly install your rywire vtec subharness if you are converting to obd1 and vtec skip navigation how to use honda wiring diagrams 1996 to 2005 training module trailer this video is an extract from the automate wiring diagrams training module covering honda diagrams from 1996 to 2005 this module has been designed to provide you with information on where to

















