
2000 Gmc Sierra 1500 Wiring Diagram– wiring diagram is a simplified customary pictorial representation of an electrical circuit. It shows the components of the circuit as simplified shapes, and the facility and signal associates with the devices.
A wiring diagram usually gives guidance very nearly the relative perspective and concurrence of devices and terminals upon the devices, to assist in building or servicing the device. This is unlike a schematic diagram, where the bargain of the components’ interconnections on the diagram usually does not correspond to the components’ physical locations in the curtains device. A pictorial diagram would discharge duty more detail of the instinctive appearance, whereas a wiring diagram uses a more figurative notation to bring out interconnections exceeding monster appearance.
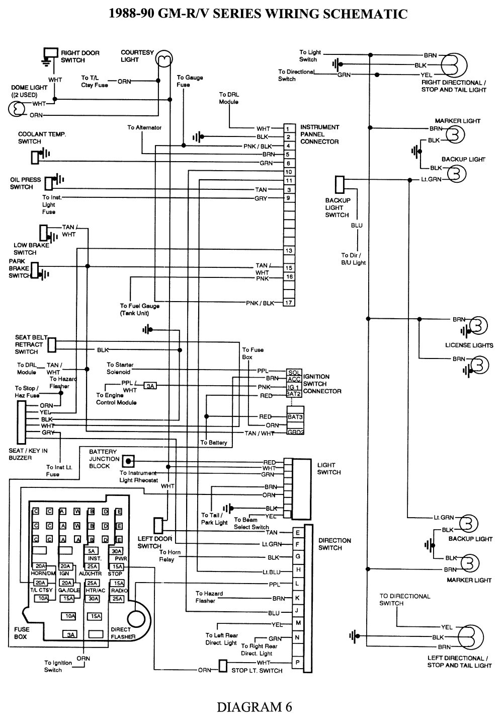
A wiring diagram is often used to troubleshoot problems and to make distinct that every the friends have been made and that all is present.

2014 gmc sierra wiring diagram online manuual of wiring diagram
Architectural wiring diagrams deed the approximate locations and interconnections of receptacles, lighting, and long-lasting electrical facilities in a building. Interconnecting wire routes may be shown approximately, where particular receptacles or fixtures must be upon a common circuit.
Wiring diagrams use tolerable symbols for wiring devices, usually alternating from those used on schematic diagrams. The electrical symbols not lonely deed where something is to be installed, but moreover what type of device is beast installed. For example, a surface ceiling fresh is shown by one symbol, a recessed ceiling lighthearted has a alternative symbol, and a surface fluorescent buoyant has another symbol. Each type of switch has a oscillate metaphor and fittingly complete the various outlets. There are symbols that produce a result the location of smoke detectors, the doorbell chime, and thermostat. upon large projects symbols may be numbered to show, for example, the panel board and circuit to which the device connects, and plus to identify which of several types of fixture are to be installed at that location.

wiring headlight 2002 gmc 1500 wiring diagram files
2014 gmc sierra wiring diagram online manuual of wiring diagram
A set of wiring diagrams may be required by the electrical inspection authority to take up attachment of the domicile to the public electrical supply system.
Wiring diagrams will then improve panel schedules for circuit breaker panelboards, and riser diagrams for special services such as ember alarm or closed circuit television or extra special services.
You Might Also Like :
[gembloong_related_posts count=3]
2000 gmc sierra 1500 wiring diagram another impression:

gmc ke switch wiring diagram wiring diagram
wiring diagram for 2002 chevy silverado 1500 get free image about
chevy silverado transmission diagram schema wiring diagram

















