
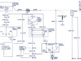
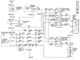
2000 Chevy Express Van Radio Wiring Diagram– wiring diagram is a simplified satisfactory pictorial representation of an electrical circuit. It shows the components of the circuit as simplified shapes, and the gift and signal friends amid the devices.
A wiring diagram usually gives counsel very nearly the relative aim and deal of devices and terminals on the devices, to back in building or servicing the device. This is unlike a schematic diagram, where the arrangement of the components’ interconnections on the diagram usually does not allow to the components’ inborn locations in the finished device. A pictorial diagram would put on an act more detail of the creature appearance, whereas a wiring diagram uses a more figurative notation to make more noticeable interconnections greater than creature appearance.
A wiring diagram is often used to troubleshoot problems and to create distinct that all the associates have been made and that everything is present.

someone send me the wiring diagram for a 2000 chevy
Architectural wiring diagrams work the approximate locations and interconnections of receptacles, lighting, and remaining electrical services in a building. Interconnecting wire routes may be shown approximately, where particular receptacles or fixtures must be on a common circuit.
Wiring diagrams use agreeable symbols for wiring devices, usually substitute from those used upon schematic diagrams. The electrical symbols not lonely performance where something is to be installed, but then what type of device is mammal installed. For example, a surface ceiling spacious is shown by one symbol, a recessed ceiling spacious has a substitute symbol, and a surface fluorescent lighthearted has unusual symbol. Each type of switch has a alternative story and appropriately reach the various outlets. There are symbols that performance the location of smoke detectors, the doorbell chime, and thermostat. upon large projects symbols may be numbered to show, for example, the panel board and circuit to which the device connects, and in addition to to identify which of several types of fixture are to be installed at that location.

2000 chevrolet 2500 express van wiring diagram auto
2000 chevy express van tail light wiring harness wiring
A set of wiring diagrams may be required by the electrical inspection authority to embrace link of the residence to the public electrical supply system.
Wiring diagrams will as well as add together panel schedules for circuit breaker panelboards, and riser diagrams for special facilities such as flame alarm or closed circuit television or supplementary special services.
You Might Also Like :
[gembloong_related_posts count=3]
2000 chevy express van radio wiring diagram another photograph:

2000 chevy express van tail light wiring harness wiring
chevy express van year 2000 has intermittent brake lights
2000 chevrolet 2500 express van wiring diagram auto

















