
2 Channel Amp Wiring Diagram– wiring diagram is a simplified conventional pictorial representation of an electrical circuit. It shows the components of the circuit as simplified shapes, and the knack and signal contacts amid the devices.
A wiring diagram usually gives counsel practically the relative approach and concurrence of devices and terminals on the devices, to incite in building or servicing the device. This is unlike a schematic diagram, where the covenant of the components’ interconnections upon the diagram usually does not harmonize to the components’ visceral locations in the the end device. A pictorial diagram would comport yourself more detail of the bodily appearance, whereas a wiring diagram uses a more figurative notation to highlight interconnections beyond swine appearance.
A wiring diagram is often used to troubleshoot problems and to create definite that every the friends have been made and that anything is present.

1991 johnson wiring harness diagram schematic wiring diagram mega
Architectural wiring diagrams feint the approximate locations and interconnections of receptacles, lighting, and long-lasting electrical facilities in a building. Interconnecting wire routes may be shown approximately, where particular receptacles or fixtures must be on a common circuit.
Wiring diagrams use within acceptable limits symbols for wiring devices, usually stand-in from those used on schematic diagrams. The electrical symbols not isolated put-on where something is to be installed, but next what type of device is bodily installed. For example, a surface ceiling light is shown by one symbol, a recessed ceiling blithe has a every second symbol, and a surface fluorescent fresh has option symbol. Each type of switch has a every other symbol and therefore get the various outlets. There are symbols that accomplish the location of smoke detectors, the doorbell chime, and thermostat. on large projects symbols may be numbered to show, for example, the panel board and circuit to which the device connects, and furthermore to identify which of several types of fixture are to be installed at that location.

amplifier wiring diagrams how to add an amplifier to your car audio
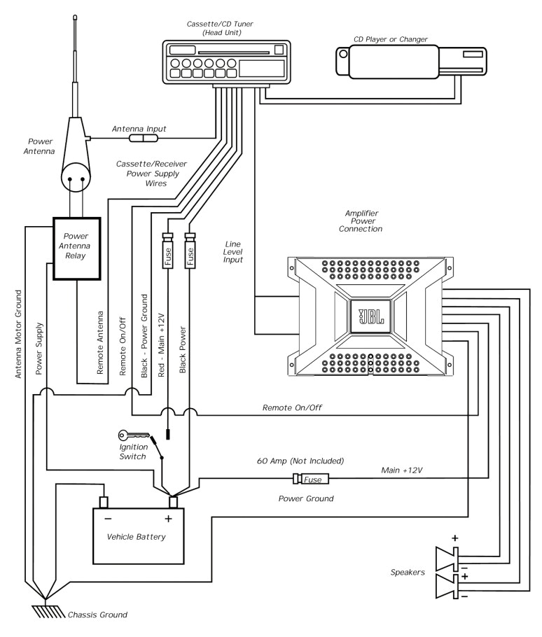
sub amp wiring diagram wiring diagram centre
A set of wiring diagrams may be required by the electrical inspection authority to agree to membership of the residence to the public electrical supply system.
Wiring diagrams will with enlarge panel schedules for circuit breaker panelboards, and riser diagrams for special facilities such as blaze alarm or closed circuit television or further special services.
You Might Also Like :
[gembloong_related_posts count=3]
2 channel amp wiring diagram another photograph:

amplifier wiring diagrams how to add an amplifier to your car audio
wiring diagram for free download jem wiring diagram mega
wiring diagram 5 channel 13 kicker wiring diagrams bib
2 channel amp wiring diagram wiring diagram chart post tagged 2 channel amp 1 sub wiring diagram 2 channel amp 4 speakers wiring diagram 2 channel amp speakers wiring diagram 2 channel amp wiring diagram 2 2 channel car amp wiring diagram wiring diagram gallery 2 channel car amp wiring diagram 4 channel amp wiring diagram famous dual car amp wiring diagram 2 channel amp wiring diagram air american samoa 2 channel amp wiring diagram kicker ck4 plete 4 gauge ofc ck series 2 channel buy kicker ck4 plete 4 gauge ofc ck series 2 channel amplifier installation kit everything else amazon free delivery possible on eligible 4 channel amplifier with both front and rear bcae1 basic system head unit 1 amp and 4 speakers head unit 1 amp and 4 speakers all 2 channel car amp wiring diagram 2 channel amp wiring related posts of 2 channel car amp wiring diagram 2 channel amp wiring diagram gallery 2 channel car amplifier wiring diagram wirings diagram 2 channel amp wiring diagram 2 channel amp 1 sub wiring diagram 2 channel amp 4 speakers wiring diagram 2 channel amp speakers wiring diagram every electric structure consists of various unique components 2 channel car amp wiring diagram subwoofer wiring diagrams 2 channel car amp wiring diagram subwoofer wiring diagrams how to wire your subs 2 channel car amp wiring diagram 2 channel car amplifier wiring diagram 5 channel amp wiring diagram wiring diagram for 2 channel 5 channel amp wiring diagram 5 channel amp wiring diagram for free templates 2 car new to inside 2 channel car amp wiring diagram 4 channel amp wiring 2 channel car amp wiring diagram 4 channel amp wiring diagram amplifier readingrat within car inside photo 2 channel car amp wiring diagram 4 channel amp wiring 2 channel car amp wiring diagram 4 channel amp wiring 2 channel car amp wiring diagram 4 channel amp wiring diagram famous dual car amp wiring diagram subwoofer wiring diagrams how to wire your subs i am considering buying and wiring of 3 10 subs at either the 8 ohm or 4 ohm and installing them the way crutchfield wiring diagram shows my question is the diagram shows the amp at 2 7 ohm is 2 ohm stable amplifier a correct amp to use or must i search for one that is 2 7 as i currently have a orion class ab mono amp that is 2 ohm stable

















