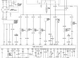
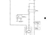
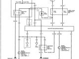
1999 Honda Crv Distributor Wiring Diagram


Warning: count(): Parameter must be an array or an object that implements Countable in /var/www/html/autocardesign.org/wp-content/themes/silegan-wordpress-theme/inc/themeson.class.php on line 625
1999 Honda Crv Distributor Wiring Diagram 1999 Honda Crv Service Repair Manual
1999 Honda Crv Distributor Wiring Diagram 1999 Honda Crv Service Repair Manual