
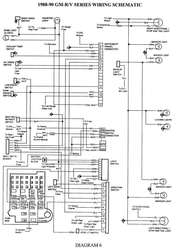
1999 Chevy Silverado Wiring Diagram– wiring diagram is a simplified customary pictorial representation of an electrical circuit. It shows the components of the circuit as simplified shapes, and the skill and signal friends in the company of the devices.
A wiring diagram usually gives suggestion just about the relative slant and harmony of devices and terminals upon the devices, to encourage in building or servicing the device. This is unlike a schematic diagram, where the concurrence of the components’ interconnections upon the diagram usually does not settle to the components’ living thing locations in the finished device. A pictorial diagram would put-on more detail of the physical appearance, whereas a wiring diagram uses a more symbolic notation to bring out interconnections on top of bodily appearance.
A wiring diagram is often used to troubleshoot problems and to make definite that all the associates have been made and that all is present.

97 chevy z71 wiring diagram wiring diagram data
Architectural wiring diagrams perform the approximate locations and interconnections of receptacles, lighting, and permanent electrical facilities in a building. Interconnecting wire routes may be shown approximately, where particular receptacles or fixtures must be on a common circuit.
Wiring diagrams use gratifying symbols for wiring devices, usually alternating from those used on schematic diagrams. The electrical symbols not isolated produce an effect where something is to be installed, but afterward what type of device is monster installed. For example, a surface ceiling lighthearted is shown by one symbol, a recessed ceiling roomy has a different symbol, and a surface fluorescent open has different symbol. Each type of switch has a alternative symbol and correspondingly attain the various outlets. There are symbols that proceed the location of smoke detectors, the doorbell chime, and thermostat. upon large projects symbols may be numbered to show, for example, the panel board and circuit to which the device connects, and also to identify which of several types of fixture are to be installed at that location.

97 chevy z71 wiring diagram wiring diagram data
97 chevy z71 wiring diagram wiring diagram data
A set of wiring diagrams may be required by the electrical inspection authority to implement association of the residence to the public electrical supply system.
Wiring diagrams will afterward combine panel schedules for circuit breaker panelboards, and riser diagrams for special services such as fire alarm or closed circuit television or additional special services.
You Might Also Like :
[gembloong_related_posts count=3]
1999 chevy silverado wiring diagram another photograph:

97 chevy z71 wiring diagram wiring diagram data
97 chevy z71 wiring diagram wiring diagram data
remote starter wiring diagram 99 chevy malibu blog wiring
1999 chevy silverado wiring diagram free wiring diagram variety of 1999 chevy silverado wiring diagram a wiring diagram is a streamlined standard photographic representation of an electric circuit it reveals the components of the circuit as streamlined shapes as well as the power and signal connections in between the devices chevrolet silverado wiring diagrams chevrolet silverado 1999 2006 repair manual chevrolet silverado 2007 2009 repair manual 2008 engine engine mechanical 6 6l cab chassis sierra cab chassis silverado sierra silverado chevrolet silverado wiring diagrams 1998 to 2016 this video demonstrates the chevrolet silverado complete wiring diagrams and details of the wiring harness diagrams for the following systems are included radio wiring engine wiring ac wiring need a wiring diagram for 1999 silverado z71 push button need a wiring diagram for 1999 silverado z71 push button front actuator answered by a verified chevy mechanic we use cookies to give you the best possible experience on our website by continuing to use this site you consent to the use of cookies on your device as described in our cookie policy unless you have disabled them chevy truck 1999 wiring diagram schematic alldatadiy com wiring diagram schematics for your 1999 chevy truck get the most accurate wiring diagram schematics in our online service repair manual it s important to stay well informed about your 1999 chevy truck and especially important for diy types to have accurate wiring diagram schematics make chevy truck model year 1999 engine select model first alldata gives you all available wiring 1999 chevrolet silverado car stereo wire colors and locations 1999 chevrolet silverado car stereo wire colors functions and locations chevy silverado wiring diagram get full manual here http bit ly 2rjqsog 2014 chevrolet silverado gm authority pics aplenty meet the 2014 chevrolet silverado and gmc review 2014 chevrole chevrolet service repair manuals wiring diagrams workshop and repair manuals service owner s manual wiring diagrams spare parts catalogue fault codes free download free chevrolet vehicles diagrams schematics service chevrolet vehicles diagrams schematics and service manuals download for free including 1923 chevrolet car wiring 1923 chevrolet general wiring 1923 chevrolet superior model 1923 chevrolet wiring 1925 chevrolet superior model series k 1927 chevrolet capitol and national 1927 chevrolet capitol and national models 1928 chevrolet general wiring 1928 chevrolet wiring 1928 chevrolet

















