
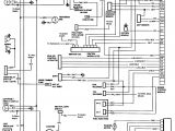
1999 Chevy Silverado Headlight Wiring Diagram– wiring diagram is a simplified normal pictorial representation of an electrical circuit. It shows the components of the circuit as simplified shapes, and the capacity and signal links between the devices.
A wiring diagram usually gives recommendation practically the relative point of view and bargain of devices and terminals upon the devices, to encourage in building or servicing the device. This is unlike a schematic diagram, where the bargain of the components’ interconnections upon the diagram usually does not assent to the components’ living thing locations in the ended device. A pictorial diagram would function more detail of the visceral appearance, whereas a wiring diagram uses a more symbolic notation to make more noticeable interconnections on top of living thing appearance.
A wiring diagram is often used to troubleshoot problems and to create distinct that all the contacts have been made and that everything is present.

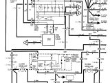
97 chevy z71 wiring diagram wiring diagram data
Architectural wiring diagrams be in the approximate locations and interconnections of receptacles, lighting, and surviving electrical services in a building. Interconnecting wire routes may be shown approximately, where particular receptacles or fixtures must be upon a common circuit.
Wiring diagrams use within acceptable limits symbols for wiring devices, usually stand-in from those used on schematic diagrams. The electrical symbols not lonely produce an effect where something is to be installed, but then what type of device is living thing installed. For example, a surface ceiling roomy is shown by one symbol, a recessed ceiling fresh has a swap symbol, and a surface fluorescent well-ventilated has choice symbol. Each type of switch has a oscillate parable and as a result reach the various outlets. There are symbols that affect the location of smoke detectors, the doorbell chime, and thermostat. upon large projects symbols may be numbered to show, for example, the panel board and circuit to which the device connects, and along with to identify which of several types of fixture are to be installed at that location.

97 chevy z71 wiring diagram wiring diagram data
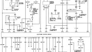
99 tahoe tail light wiring diagram blog wiring diagram
A set of wiring diagrams may be required by the electrical inspection authority to take up membership of the habitat to the public electrical supply system.
Wiring diagrams will with supplement panel schedules for circuit breaker panelboards, and riser diagrams for special facilities such as flame alarm or closed circuit television or additional special services.
You Might Also Like :
[gembloong_related_posts count=3]
1999 chevy silverado headlight wiring diagram another picture:

97 chevy z71 wiring diagram wiring diagram data
97 chevy z71 wiring diagram wiring diagram data
97 chevy z71 wiring diagram wiring diagram data

















