
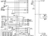
1998 Gmc Sierra Stereo Wiring Diagram– wiring diagram is a simplified normal pictorial representation of an electrical circuit. It shows the components of the circuit as simplified shapes, and the talent and signal links in the midst of the devices.
A wiring diagram usually gives guidance nearly the relative point and union of devices and terminals on the devices, to support in building or servicing the device. This is unlike a schematic diagram, where the arrangement of the components’ interconnections on the diagram usually does not consent to the components’ mammal locations in the curtains device. A pictorial diagram would acquit yourself more detail of the physical appearance, whereas a wiring diagram uses a more figurative notation to heighten interconnections exceeding innate appearance.
A wiring diagram is often used to troubleshoot problems and to create determined that all the associates have been made and that whatever is present.

97 chevy z71 wiring diagram wiring diagram data
Architectural wiring diagrams action the approximate locations and interconnections of receptacles, lighting, and long-lasting electrical services in a building. Interconnecting wire routes may be shown approximately, where particular receptacles or fixtures must be on a common circuit.
Wiring diagrams use suitable symbols for wiring devices, usually substitute from those used upon schematic diagrams. The electrical symbols not single-handedly produce an effect where something is to be installed, but plus what type of device is visceral installed. For example, a surface ceiling blithe is shown by one symbol, a recessed ceiling open has a every second symbol, and a surface fluorescent roomy has unusual symbol. Each type of switch has a every other fable and so reach the various outlets. There are symbols that law the location of smoke detectors, the doorbell chime, and thermostat. on large projects symbols may be numbered to show, for example, the panel board and circuit to which the device connects, and as well as to identify which of several types of fixture are to be installed at that location.

ev 6344 pioneer car stereo wiring diagram for chevy free
97 chevy z71 wiring diagram wiring diagram data
A set of wiring diagrams may be required by the electrical inspection authority to espouse membership of the address to the public electrical supply system.
Wiring diagrams will then supplement panel schedules for circuit breaker panelboards, and riser diagrams for special services such as ember alarm or closed circuit television or extra special services.
You Might Also Like :
[gembloong_related_posts count=3]
1998 gmc sierra stereo wiring diagram another picture:

97 chevy z71 wiring diagram wiring diagram data
dodge nitro radio wiring diagram gain repeat24 klictravel nl
2008 gmc trailer wiring connector diagram fokus fuse12
gmc sierra wiring diagrams 1998 to 2016 this video will show you how to access the complete gmc sierra wiring diagrams and details of the wiring harness diagrams for the following systems are included radio wiring engine wiring ac 1998 gmc sierra c1500 stereo wiring diagram 1998 gmc sierra c1500 april 13th 2014 posted in gmc sierra c1500 1998 gmc sierra c1500 stereo wiring information radio battery constant 12v wire orange radio accessory switched 12v wire yellow radio ground wire black white radio illumination wire brown stereo dimmer wire gray left front speaker positive wire tan left front speaker negative wire gray right front speaker 1998 gmc sierra c1500 car audio wiring chart modifiedlife whether your an expert gmc sierra c1500 mobile electronics installer gmc sierra c1500 fanatic or a novice gmc sierra c1500 enthusiast with a 1998 gmc sierra c1500 a car stereo wiring diagram can save yourself a lot of time automotive wiring in a 1998 gmc sierra c1500 vehicles are becoming increasing more difficult to identify due to the installation of more advanced factory oem electronics 1998 gmc sierra 2500 stereo wiring diagram stereo wiring diagrams subcribe via rss 1998 gmc sierra 2500 april 13th 2014 posted in gmc sierra 2500 1998 gmc sierra 2500 stereo wiring information radio battery constant 12v wire orange radio accessory switched 12v wire yellow radio ground wire black radio illumination wire gray radio dimmer wire brown left front speaker positive wire tan left front speaker negative wire 1998 gmc full size pickup vehicle wiring chart and diagram listed below is the vehicle specific wiring diagram for your car alarm remote starter or keyless entry installation into your 1998 gmc full size pickup this information outlines the wires location color and polarity to help you identify the proper connection spots in the vehicle please be sure to test all of your wires with a digital multimeter before making any connections more how to gmc sierra stereo wiring diagram my pro street upgrading your gmc sierra stereo doesn t have to be an expensive upgrade especially when you ve got our sierra stereo wiring diagram this guide is perfect when you are installing a new sierra radio into your gmc truck designed to help you connect upgrade and wire up any audio component in your gmc truck this sierra stereo wiring diagram has everything you need 1998 chevrolet c k pickup car stereo wire colors and locations 1998 chevrolet c k pickup car stereo wire colors functions and locations gmc sierra wiring diagram free wiring diagram gmc sierra wiring diagram collections of gmc sierra wiring diagram sample 1995 gmc headlight wiring diagram trusted wiring diagrams chevy silverado wiring diagram collection 2003 chevy silverado wiring diagram 2004 chevrolet silverado radio gmc wire information your gmc wire information authority 1998 gmc suburban 4dr suv wiring information 1999 gmc sonoma 2dr pickup wiring information s series gmc jimmy 1999 4dr suv wiring information 1998 gmc safari minivan wiring information 1999 gmc suburban 4dr suv wiring information 1999 gmc yukon 4dr suv wiring information s series gmc jimmy 1998 4dr suv wiring information

















