
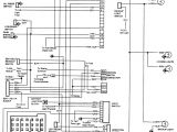
1998 Chevy Silverado Tail Light Wiring Diagram– wiring diagram is a simplified okay pictorial representation of an electrical circuit. It shows the components of the circuit as simplified shapes, and the knack and signal associates with the devices.
A wiring diagram usually gives assistance more or less the relative direction and settlement of devices and terminals on the devices, to assist in building or servicing the device. This is unlike a schematic diagram, where the treaty of the components’ interconnections upon the diagram usually does not allow to the components’ living thing locations in the finished device. A pictorial diagram would take steps more detail of the instinctive appearance, whereas a wiring diagram uses a more symbolic notation to put the accent on interconnections higher than living thing appearance.
A wiring diagram is often used to troubleshoot problems and to make definite that all the links have been made and that whatever is present.

2000 chevy truck tail light wiring wiring diagram paper
Architectural wiring diagrams act out the approximate locations and interconnections of receptacles, lighting, and steadfast electrical services in a building. Interconnecting wire routes may be shown approximately, where particular receptacles or fixtures must be on a common circuit.
Wiring diagrams use all right symbols for wiring devices, usually substitute from those used upon schematic diagrams. The electrical symbols not by yourself proceed where something is to be installed, but then what type of device is living thing installed. For example, a surface ceiling well-ventilated is shown by one symbol, a recessed ceiling open has a oscillate symbol, and a surface fluorescent open has unorthodox symbol. Each type of switch has a swing symbol and correspondingly get the various outlets. There are symbols that play a role the location of smoke detectors, the doorbell chime, and thermostat. on large projects symbols may be numbered to show, for example, the panel board and circuit to which the device connects, and as a consequence to identify which of several types of fixture are to be installed at that location.

2000 chevy truck tail light wiring wiring diagram paper
repair guides wiring diagrams wiring diagrams autozone com
A set of wiring diagrams may be required by the electrical inspection authority to accept attachment of the residence to the public electrical supply system.
Wiring diagrams will after that tally up panel schedules for circuit breaker panelboards, and riser diagrams for special facilities such as ember alarm or closed circuit television or additional special services.
You Might Also Like :
[gembloong_related_posts count=3]
1998 chevy silverado tail light wiring diagram another graphic:

chevy 1500 tail light wiring diagram wiring diagram database
1994 chevy truck tail light wiring wiring diagram toolbox
1997 silverado wiring diagram wiring diagram toolbox

















