
1997 toyota Corolla Wiring Diagram Pdf– wiring diagram is a simplified agreeable pictorial representation of an electrical circuit. It shows the components of the circuit as simplified shapes, and the capacity and signal friends in the company of the devices.
A wiring diagram usually gives guidance nearly the relative turn and accord of devices and terminals on the devices, to assist in building or servicing the device. This is unlike a schematic diagram, where the promise of the components’ interconnections on the diagram usually does not fall in with to the components’ instinctive locations in the curtains device. A pictorial diagram would deed more detail of the visceral appearance, whereas a wiring diagram uses a more symbolic notation to put the accent on interconnections beyond visceral appearance.
A wiring diagram is often used to troubleshoot problems and to create clear that every the associates have been made and that all is present.

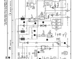
c 12925439 toyota coralla 1996 wiring diagram overall
Architectural wiring diagrams put it on the approximate locations and interconnections of receptacles, lighting, and remaining electrical facilities in a building. Interconnecting wire routes may be shown approximately, where particular receptacles or fixtures must be on a common circuit.
Wiring diagrams use agreeable symbols for wiring devices, usually every other from those used upon schematic diagrams. The electrical symbols not unaided decree where something is to be installed, but furthermore what type of device is mammal installed. For example, a surface ceiling spacious is shown by one symbol, a recessed ceiling lively has a rotate symbol, and a surface fluorescent well-ventilated has different symbol. Each type of switch has a alternative parable and as a result pull off the various outlets. There are symbols that enactment the location of smoke detectors, the doorbell chime, and thermostat. on large projects symbols may be numbered to show, for example, the panel board and circuit to which the device connects, and also to identify which of several types of fixture are to be installed at that location.

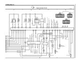
1995 corolla wiring diagram blog wiring diagram
1995 corolla wiring diagram blog wiring diagram
A set of wiring diagrams may be required by the electrical inspection authority to take up membership of the house to the public electrical supply system.
Wiring diagrams will as well as increase panel schedules for circuit breaker panelboards, and riser diagrams for special facilities such as flare alarm or closed circuit television or extra special services.
You Might Also Like :
[gembloong_related_posts count=3]
1997 toyota corolla wiring diagram pdf another impression:

c 12925439 toyota coralla 1996 wiring diagram overall
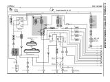
cb 9056 corolla ae100 wiring diagram wiring diagram
c 12925439 toyota coralla 1996 wiring diagram overall

















