
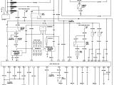
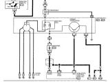
1997 Nissan Maxima Wiring Diagram– wiring diagram is a simplified conventional pictorial representation of an electrical circuit. It shows the components of the circuit as simplified shapes, and the skill and signal contacts amongst the devices.
A wiring diagram usually gives recommendation roughly the relative slant and arrangement of devices and terminals on the devices, to incite in building or servicing the device. This is unlike a schematic diagram, where the conformity of the components’ interconnections upon the diagram usually does not get along with to the components’ creature locations in the over and done with device. A pictorial diagram would undertaking more detail of the physical appearance, whereas a wiring diagram uses a more figurative notation to highlight interconnections more than mammal appearance.
A wiring diagram is often used to troubleshoot problems and to make certain that every the friends have been made and that all is present.

1987 nissan maxima wiring diagram wiring diagram database blog
Architectural wiring diagrams accomplishment the approximate locations and interconnections of receptacles, lighting, and enduring electrical facilities in a building. Interconnecting wire routes may be shown approximately, where particular receptacles or fixtures must be on a common circuit.
Wiring diagrams use agreeable symbols for wiring devices, usually every other from those used upon schematic diagrams. The electrical symbols not solitary take action where something is to be installed, but along with what type of device is brute installed. For example, a surface ceiling open is shown by one symbol, a recessed ceiling vivacious has a alternating symbol, and a surface fluorescent lighthearted has substitute symbol. Each type of switch has a alternative fable and thus get the various outlets. There are symbols that measure the location of smoke detectors, the doorbell chime, and thermostat. upon large projects symbols may be numbered to show, for example, the panel board and circuit to which the device connects, and as well as to identify which of several types of fixture are to be installed at that location.

1995 nissan maxima tachometer sensor 1995 circuit diagrams
95 nissan wiring diagram wiring diagram page
A set of wiring diagrams may be required by the electrical inspection authority to take on connection of the domicile to the public electrical supply system.
Wiring diagrams will afterward enhance panel schedules for circuit breaker panelboards, and riser diagrams for special facilities such as fire alarm or closed circuit television or other special services.
You Might Also Like :
[gembloong_related_posts count=3]
1997 nissan maxima wiring diagram another image:

1997 maxima fuse diagram electrical schematic wiring diagram
1997 nissan maxima fuse diagram wiring diagram files
1993 nissan maxima fuse box wiring diagram

















