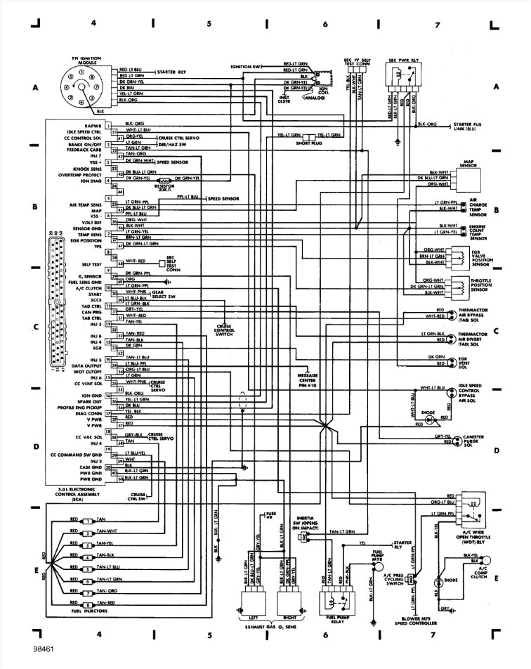
1997 Lincoln town Car Wiring Diagram


Warning: count(): Parameter must be an array or an object that implements Countable in /var/www/html/autocardesign.org/wp-content/themes/silegan-wordpress-theme/inc/themeson.class.php on line 625
1997 Lincoln town Car Wiring Diagram 10 91 town Car Wiring Diagram1991 Lincoln town Car Wiring
1997 Lincoln town Car Wiring Diagram 10 91 town Car Wiring Diagram1991 Lincoln town Car Wiring