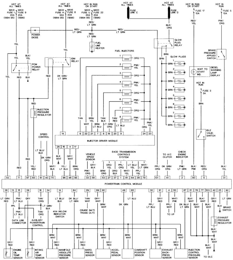
1997 ford F250 Wiring Diagram


Warning: count(): Parameter must be an array or an object that implements Countable in /var/www/html/autocardesign.org/wp-content/themes/silegan-wordpress-theme/inc/themeson.class.php on line 625
1997 ford F250 Wiring Diagram Diagram 97 ford F 350 Pcm Wiring Diagram Full Version Hd
1997 ford F250 Wiring Diagram Diagram 97 ford F 350 Pcm Wiring Diagram Full Version Hd