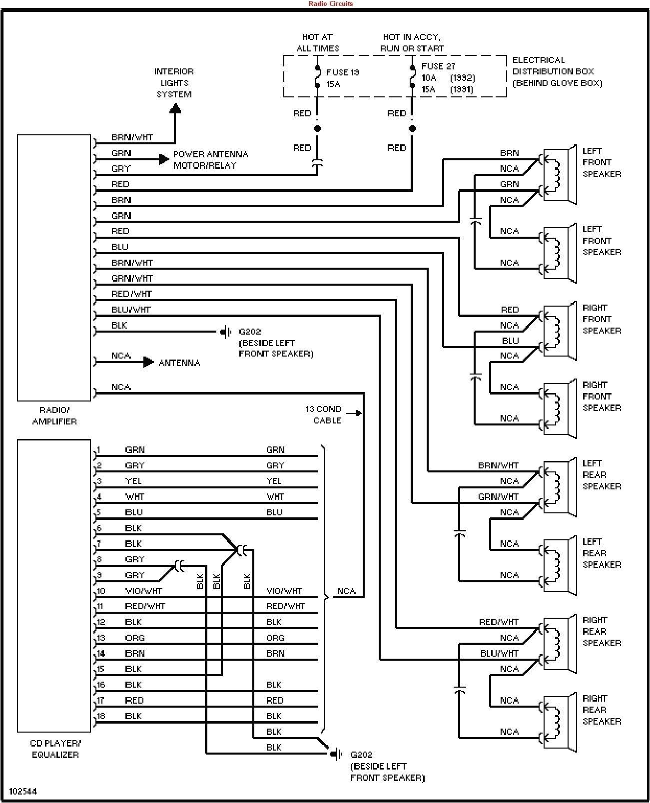
1997 Dodge Ram 1500 Stereo Wiring Diagram


Warning: count(): Parameter must be an array or an object that implements Countable in /var/www/html/autocardesign.org/wp-content/themes/silegan-wordpress-theme/inc/themeson.class.php on line 625
1997 Dodge Ram 1500 Stereo Wiring Diagram 97 Dodge Ram Trailer Wiring Diagram Roti Fuse15 Klictravel Nl
1997 Dodge Ram 1500 Stereo Wiring Diagram 97 Dodge Ram Trailer Wiring Diagram Roti Fuse15 Klictravel Nl
See also  2000 Honda Civic Headlight Wiring Diagram