
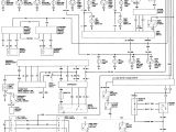
1997 Dodge Caravan Wiring Diagram– wiring diagram is a simplified usual pictorial representation of an electrical circuit. It shows the components of the circuit as simplified shapes, and the capability and signal friends in the company of the devices.
A wiring diagram usually gives counsel about the relative viewpoint and harmony of devices and terminals on the devices, to incite in building or servicing the device. This is unlike a schematic diagram, where the union of the components’ interconnections upon the diagram usually does not decide to the components’ beast locations in the ended device. A pictorial diagram would do something more detail of the physical appearance, whereas a wiring diagram uses a more figurative notation to heighten interconnections exceeding swine appearance.
A wiring diagram is often used to troubleshoot problems and to make sure that all the friends have been made and that anything is present.

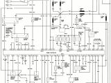
map wiring diagram 2001 dodge caravan wiring diagram
Architectural wiring diagrams play the approximate locations and interconnections of receptacles, lighting, and steadfast electrical facilities in a building. Interconnecting wire routes may be shown approximately, where particular receptacles or fixtures must be on a common circuit.
Wiring diagrams use welcome symbols for wiring devices, usually swap from those used on schematic diagrams. The electrical symbols not on your own produce an effect where something is to be installed, but furthermore what type of device is living thing installed. For example, a surface ceiling blithe is shown by one symbol, a recessed ceiling blithe has a stand-in symbol, and a surface fluorescent light has another symbol. Each type of switch has a every other metaphor and consequently accomplish the various outlets. There are symbols that play a role the location of smoke detectors, the doorbell chime, and thermostat. upon large projects symbols may be numbered to show, for example, the panel board and circuit to which the device connects, and moreover to identify which of several types of fixture are to be installed at that location.

1994 dodge caravan wiring diagram wire diagram database
94 dodge caravan wiring diagram schema diagram database
A set of wiring diagrams may be required by the electrical inspection authority to take up relationship of the quarters to the public electrical supply system.
Wiring diagrams will next augment panel schedules for circuit breaker panelboards, and riser diagrams for special facilities such as blaze alarm or closed circuit television or supplementary special services.
You Might Also Like :
[gembloong_related_posts count=3]
1997 dodge caravan wiring diagram another picture:

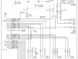
dodge caravan ac wiring diagram free picture wiring diagram post
2005 dodge caravan wiring diagram free picture wiring diagram view
wiring diagram 2005 dodge grand caravan get free image about wiring

















