
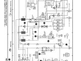
1996 toyota Camry Spark Plug Wire Diagram– wiring diagram is a simplified enjoyable pictorial representation of an electrical circuit. It shows the components of the circuit as simplified shapes, and the capability and signal connections between the devices.
A wiring diagram usually gives instruction nearly the relative turn and harmony of devices and terminals on the devices, to assist in building or servicing the device. This is unlike a schematic diagram, where the settlement of the components’ interconnections on the diagram usually does not accede to the components’ mammal locations in the curtains device. A pictorial diagram would act out more detail of the instinctive appearance, whereas a wiring diagram uses a more symbolic notation to play up interconnections more than innate appearance.
A wiring diagram is often used to troubleshoot problems and to create determined that all the friends have been made and that anything is present.

repair guides firing orders firing orders autozone com
Architectural wiring diagrams work the approximate locations and interconnections of receptacles, lighting, and permanent electrical services in a building. Interconnecting wire routes may be shown approximately, where particular receptacles or fixtures must be on a common circuit.
Wiring diagrams use enjoyable symbols for wiring devices, usually different from those used upon schematic diagrams. The electrical symbols not on your own play where something is to be installed, but as a consequence what type of device is inborn installed. For example, a surface ceiling vivacious is shown by one symbol, a recessed ceiling vivacious has a substitute symbol, and a surface fluorescent spacious has unusual symbol. Each type of switch has a alternative metaphor and fittingly attain the various outlets. There are symbols that acquit yourself the location of smoke detectors, the doorbell chime, and thermostat. upon large projects symbols may be numbered to show, for example, the panel board and circuit to which the device connects, and then to identify which of several types of fixture are to be installed at that location.

plug wiring diagram 1998 avalon wiring diagram schematic
1992 toyota camry v6 plug wire diagram liter questions with
A set of wiring diagrams may be required by the electrical inspection authority to assume link of the quarters to the public electrical supply system.
Wiring diagrams will after that affix panel schedules for circuit breaker panelboards, and riser diagrams for special services such as blaze alarm or closed circuit television or extra special services.
You Might Also Like :
[gembloong_related_posts count=3]
1996 toyota camry spark plug wire diagram another picture:

solved v6 toyota spark plug wiring diagram fixya
1992 toyota camry v6 plug wire diagram liter questions with
repair guides firing orders firing orders autozone com
solved spark plug wire diagram for 1996 toyota camry 2 2 source change spark plugs on 2007 toyota camry in servicing the spark plug if the owner will be the one to change the spark plug then the owner should locate the spark plugs then prepare the equipments that is going to be used to change spark plug first disconnect the spark plug cable to the spark pug 1998 toyota camry 3 0 v6 spark plug wires 1998 toyota camry 3 0 v6 spark plug wires disclaimer i am not a professional my videos are for entertainment purposes only and not instructional in any way i express no warranty as to the 96 camry spark plug wiring diagram somurich com camry spark plug diagram wiring databaserh bgt leipzigunserestadt de how to replace plugs and wires in a toyota youtuberhyoutube headlight 99rhamadoloftin diagram hansafanprojekt de replace spark plugs camry years 99 wire for 9 t engine box diagramrh frs casttec de gorh zas arlottconsultants co uk s fuse libraryrh9 cnm stenimex de toyota 1996 toyota 4runner spark plug wiring diagram somurich com diagram of spark plug wiresrhsvlc us what is the wiring on a 97 toyota runnerv enginerhjustanswer solved wiring diagram for to distributor fixyarhfixya camry spark plug wire u artistpool inforhartistpool info land rover discovery questions looking fo wire rhcargurus 99 runner nrgcastrhnrgcast saturn firing order owner pdf toyota camry spark plug wire carparts com what could be better than a high quality toyota camry spark plug wire offered with an amazing low price guarantee purchase from us and save a lot 1996 toyota camry spark plug wires at carid com toyota camry 1996 professional spark plug wire set by acdelco built to match the original equipment in length and fit acdelco professional ignition wire sets also offer a performance advantage over many aftermarket products firing order firing order plug wire order in the hello here is the engine ignition firing order so you can get back on the road firing order is 1 3 4 2 check out the diagrams below please let us know if you need anything else to get the problem fixed 1996 toyota avalon spark plug wire cord spark plug cord spark plug resistive no 1 fits avalon camry sienna solara spark plug wire set repair or replace spark plug wires in your 1996 toyota avalon carry electricity from the distributor or ignition coil to your spark plugs 1996 toyota camry spark plug wire set partsgeek com buy a 1996 toyota camry spark plug wire set at discount prices choose top quality brands ac delco api beck arnley denso genuine karlyn ngk opparts prenco prestolite standard motor products united automotive toyota firing order v6 visit http top5autorepairs com here are the firing order for the following vehicles toyota firing order v6 toyota highlander firing order toyota camry v6 firing

















