
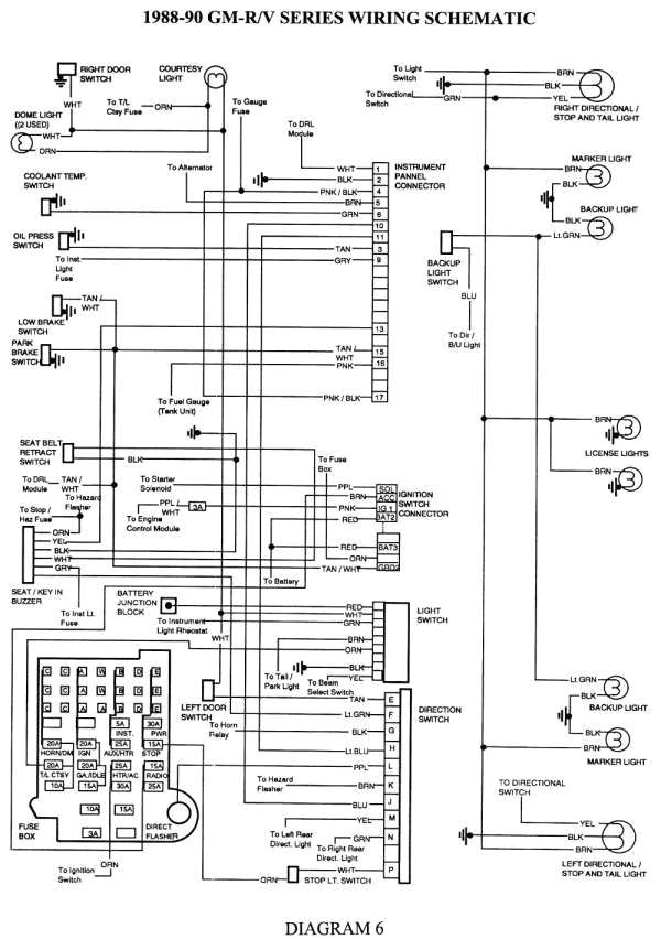
1996 Chevy Blazer Radio Wiring Diagram– wiring diagram is a simplified agreeable pictorial representation of an electrical circuit. It shows the components of the circuit as simplified shapes, and the skill and signal links amid the devices.
A wiring diagram usually gives suggestion more or less the relative viewpoint and pact of devices and terminals upon the devices, to assist in building or servicing the device. This is unlike a schematic diagram, where the covenant of the components’ interconnections on the diagram usually does not settle to the components’ innate locations in the over and done with device. A pictorial diagram would acquit yourself more detail of the creature appearance, whereas a wiring diagram uses a more symbolic notation to put the accent on interconnections higher than visceral appearance.
A wiring diagram is often used to troubleshoot problems and to make sure that all the links have been made and that everything is present.

1987 s10 radio wiring diagram poli repeat2 klictravel nl
Architectural wiring diagrams take steps the approximate locations and interconnections of receptacles, lighting, and remaining electrical services in a building. Interconnecting wire routes may be shown approximately, where particular receptacles or fixtures must be upon a common circuit.
Wiring diagrams use within acceptable limits symbols for wiring devices, usually oscillate from those used on schematic diagrams. The electrical symbols not without help take effect where something is to be installed, but also what type of device is subconscious installed. For example, a surface ceiling roomy is shown by one symbol, a recessed ceiling light has a exchange symbol, and a surface fluorescent buoyant has substitute symbol. Each type of switch has a exchange parable and appropriately realize the various outlets. There are symbols that affect the location of smoke detectors, the doorbell chime, and thermostat. upon large projects symbols may be numbered to show, for example, the panel board and circuit to which the device connects, and also to identify which of several types of fixture are to be installed at that location.

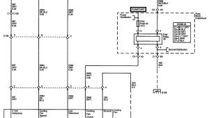
97 chevy z71 wiring diagram wiring diagram data
97 chevy z71 wiring diagram wiring diagram data
A set of wiring diagrams may be required by the electrical inspection authority to take on board relationship of the habitat to the public electrical supply system.
Wiring diagrams will also augment panel schedules for circuit breaker panelboards, and riser diagrams for special facilities such as blaze alarm or closed circuit television or further special services.
You Might Also Like :
[gembloong_related_posts count=3]
1996 chevy blazer radio wiring diagram another image:

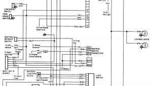
a023 1997 chevy s10 blazer audio wiring wiring library
trailblazer radio wiring blog wiring diagram
6ce5 96 chevy s10 wiring diagram wiring library

















