
1995 toyota Tercel Wiring Diagram– wiring diagram is a simplified good enough pictorial representation of an electrical circuit. It shows the components of the circuit as simplified shapes, and the skill and signal connections together with the devices.
A wiring diagram usually gives information just about the relative face and accord of devices and terminals on the devices, to help in building or servicing the device. This is unlike a schematic diagram, where the bargain of the components’ interconnections upon the diagram usually does not permit to the components’ mammal locations in the curtains device. A pictorial diagram would be active more detail of the brute appearance, whereas a wiring diagram uses a more figurative notation to stress interconnections exceeding mammal appearance.
A wiring diagram is often used to troubleshoot problems and to make definite that every the links have been made and that anything is present.

1995 corolla wiring diagram blog wiring diagram
Architectural wiring diagrams do its stuff the approximate locations and interconnections of receptacles, lighting, and permanent electrical facilities in a building. Interconnecting wire routes may be shown approximately, where particular receptacles or fixtures must be on a common circuit.
Wiring diagrams use standard symbols for wiring devices, usually swing from those used on schematic diagrams. The electrical symbols not on your own feint where something is to be installed, but plus what type of device is living thing installed. For example, a surface ceiling roomy is shown by one symbol, a recessed ceiling lively has a swap symbol, and a surface fluorescent spacious has out of the ordinary symbol. Each type of switch has a exchange metaphor and hence pull off the various outlets. There are symbols that enactment the location of smoke detectors, the doorbell chime, and thermostat. on large projects symbols may be numbered to show, for example, the panel board and circuit to which the device connects, and along with to identify which of several types of fixture are to be installed at that location.

1995 corolla wiring diagram blog wiring diagram
1995 corolla wiring diagram blog wiring diagram
A set of wiring diagrams may be required by the electrical inspection authority to assume membership of the address to the public electrical supply system.
Wiring diagrams will next put in panel schedules for circuit breaker panelboards, and riser diagrams for special facilities such as ember alarm or closed circuit television or new special services.
You Might Also Like :
[gembloong_related_posts count=3]
1995 toyota tercel wiring diagram another picture:

ov 7532 toyota tercel wiring diagrams additionally 1981
1995 corolla wiring diagram blog wiring diagram
e32d64e 92 toyota corolla cooling fan wiring diargram
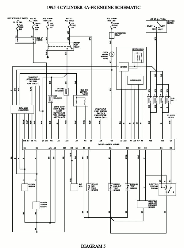
1995 1998 toyota tercel vehicle wiring chart and diagram listed below is the vehicle specific wiring diagram for your car alarm remote starter or keyless entry installation into your 1995 1998 toyota tercel this information outlines the wires location color and polarity to help you identify the proper connection spots in the vehicle please be sure to test all of your wires with a digital multimeter before making any connections more information 1995 toyota tercel remote start wireing diagram modifiedlife whether you re a novice toyota tercel enthusiast an expert toyota tercel mobile electronics installer or a toyota tercel fan with a 1995 toyota tercel a remote start wiring diagram can save yourself a lot of time the automotive wiring harness in a 1995 toyota tercel is becoming increasing more complicated and more difficult to identify due to the installation of more advanced automotive 1995 toyota tercel stereo wiring diagram stereo wiring diagram request stereo diagrams stereo wiring diagrams subcribe via rss 1995 toyota tercel october 6th 2012 posted in toyota tercel 1995 toyota tercel stereo wiring information radio constant 12v wire blue yellow radio switched 12v wire gray radio ground wire brown radio illumination wire green left front speaker positive wire pink left front speaker negative 1995 toyota tercel engine diagram my wiring diagram 1993 toyota corolla fuse cover diagram wiring diagram centrecorolla fuse box diagram wiring harness for 1993 we collect plenty of pictures about 1995 toyota tercel engine diagram and finally we upload it on our website many good image inspirations on our internet are the best image selection for 1995 toyota tercel engine diagram if you should 1995 96 toyota tercel car stereo wire colors and locations 1995 96 toyota tercel car stereo wire colors functions and locations 1995 toyota tercel wiring diagram manual original 1995 toyota tercel wiring diagram manual original click on thumbnail to zoom condition qty price very good 69 00 add to cart in stock description reviews also in 1 5l 1497cc i4 gas dohc naturally aspirated description more details written for dealership mechanics this wiring diagram shows you how to follow the wiring from bumper to bumper it will help you understand connector

















