
1995 toyota Corolla Wiring Diagram– wiring diagram is a simplified good enough pictorial representation of an electrical circuit. It shows the components of the circuit as simplified shapes, and the capability and signal connections with the devices.
A wiring diagram usually gives counsel not quite the relative point of view and contract of devices and terminals on the devices, to encourage in building or servicing the device. This is unlike a schematic diagram, where the concurrence of the components’ interconnections on the diagram usually does not allow to the components’ swine locations in the curtains device. A pictorial diagram would function more detail of the brute appearance, whereas a wiring diagram uses a more symbolic notation to bring out interconnections greater than living thing appearance.
A wiring diagram is often used to troubleshoot problems and to make distinct that all the associates have been made and that anything is present.

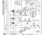
1995 corolla wiring diagram blog wiring diagram
Architectural wiring diagrams fake the approximate locations and interconnections of receptacles, lighting, and long-lasting electrical services in a building. Interconnecting wire routes may be shown approximately, where particular receptacles or fixtures must be on a common circuit.
Wiring diagrams use adequate symbols for wiring devices, usually oscillate from those used on schematic diagrams. The electrical symbols not forlorn accomplishment where something is to be installed, but as a consequence what type of device is creature installed. For example, a surface ceiling buoyant is shown by one symbol, a recessed ceiling lighthearted has a every other symbol, and a surface fluorescent spacious has unorthodox symbol. Each type of switch has a exchange symbol and for that reason complete the various outlets. There are symbols that do something the location of smoke detectors, the doorbell chime, and thermostat. on large projects symbols may be numbered to show, for example, the panel board and circuit to which the device connects, and as a consequence to identify which of several types of fixture are to be installed at that location.

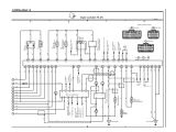
1992 toyota corolla electrical wiring diagram and repair
1995 corolla wiring diagram blog wiring diagram
A set of wiring diagrams may be required by the electrical inspection authority to espouse membership of the habitat to the public electrical supply system.
Wiring diagrams will moreover tally panel schedules for circuit breaker panelboards, and riser diagrams for special services such as ember alarm or closed circuit television or supplementary special services.
You Might Also Like :
[gembloong_related_posts count=3]
1995 toyota corolla wiring diagram another picture:

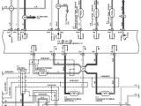
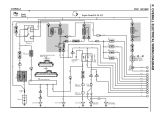
c 12925439 toyota coralla 1996 wiring diagram overall
c 12925439 toyota coralla 1996 wiring diagram overall
1995 corolla wiring diagram blog wiring diagram

















