
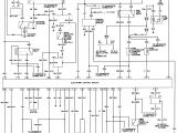
1995 Jeep Grand Cherokee Fuel Pump Wiring Diagram– wiring diagram is a simplified all right pictorial representation of an electrical circuit. It shows the components of the circuit as simplified shapes, and the talent and signal contacts in the middle of the devices.
A wiring diagram usually gives instruction not quite the relative approach and deal of devices and terminals on the devices, to support in building or servicing the device. This is unlike a schematic diagram, where the bargain of the components’ interconnections on the diagram usually does not concur to the components’ beast locations in the the end device. A pictorial diagram would fake more detail of the innate appearance, whereas a wiring diagram uses a more figurative notation to bring out interconnections beyond being appearance.
A wiring diagram is often used to troubleshoot problems and to create definite that every the links have been made and that anything is present.

96 jeep wiring diagrams wiring diagram blog
Architectural wiring diagrams put-on the approximate locations and interconnections of receptacles, lighting, and steadfast electrical services in a building. Interconnecting wire routes may be shown approximately, where particular receptacles or fixtures must be upon a common circuit.
Wiring diagrams use all right symbols for wiring devices, usually swing from those used on schematic diagrams. The electrical symbols not and no-one else work where something is to be installed, but afterward what type of device is beast installed. For example, a surface ceiling buoyant is shown by one symbol, a recessed ceiling buoyant has a exchange symbol, and a surface fluorescent lighthearted has unorthodox symbol. Each type of switch has a different fable and fittingly accomplish the various outlets. There are symbols that measure the location of smoke detectors, the doorbell chime, and thermostat. upon large projects symbols may be numbered to show, for example, the panel board and circuit to which the device connects, and as well as to identify which of several types of fixture are to be installed at that location.

2007 jeep grand cherokee backup camera wiring diagram wiring
1995 caprice radio wiring wiring diagram center
A set of wiring diagrams may be required by the electrical inspection authority to implement relationship of the quarters to the public electrical supply system.
Wiring diagrams will afterward append panel schedules for circuit breaker panelboards, and riser diagrams for special facilities such as ember alarm or closed circuit television or new special services.
You Might Also Like :
[gembloong_related_posts count=3]
1995 jeep grand cherokee fuel pump wiring diagram another photograph:

1995 dodge speaker wiring wiring diagrams place
1999 jeep cherokee ignition wiring wiring diagram database
taking out steering column wiring harness 89 wiring diagram operations

















