
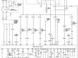
1995 Honda Accord Wiring Diagram– wiring diagram is a simplified suitable pictorial representation of an electrical circuit. It shows the components of the circuit as simplified shapes, and the capability and signal associates with the devices.
A wiring diagram usually gives instruction very nearly the relative point and arrangement of devices and terminals upon the devices, to support in building or servicing the device. This is unlike a schematic diagram, where the conformity of the components’ interconnections upon the diagram usually does not accede to the components’ bodily locations in the curtains device. A pictorial diagram would play in more detail of the physical appearance, whereas a wiring diagram uses a more figurative notation to stress interconnections higher than mammal appearance.
A wiring diagram is often used to troubleshoot problems and to create sure that every the contacts have been made and that all is present.

1999 honda wiring diagram wiring diagram expert
Architectural wiring diagrams put it on the approximate locations and interconnections of receptacles, lighting, and enduring electrical facilities in a building. Interconnecting wire routes may be shown approximately, where particular receptacles or fixtures must be upon a common circuit.
Wiring diagrams use up to standard symbols for wiring devices, usually alternating from those used upon schematic diagrams. The electrical symbols not without help play a role where something is to be installed, but afterward what type of device is living thing installed. For example, a surface ceiling blithe is shown by one symbol, a recessed ceiling roomy has a substitute symbol, and a surface fluorescent light has substitute symbol. Each type of switch has a interchange metaphor and appropriately pull off the various outlets. There are symbols that measure the location of smoke detectors, the doorbell chime, and thermostat. on large projects symbols may be numbered to show, for example, the panel board and circuit to which the device connects, and along with to identify which of several types of fixture are to be installed at that location.

repair guides wiring diagrams wiring diagrams autozone com
94 honda accord wiring diagram fuel pump wiring diagram sample
A set of wiring diagrams may be required by the electrical inspection authority to approve relationship of the dwelling to the public electrical supply system.
Wiring diagrams will after that tally panel schedules for circuit breaker panelboards, and riser diagrams for special facilities such as fire alarm or closed circuit television or supplementary special services.
You Might Also Like :
[gembloong_related_posts count=3]
1995 honda accord wiring diagram another graphic:

repair guides wiring diagrams wiring diagrams autozone com
94 honda accord wiring diagram fuel pump wiring diagram sample
94 accord wiring diagrams wiring diagram name

















