
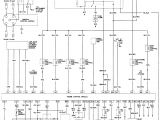
1995 Honda Accord Stereo Wiring Diagram– wiring diagram is a simplified conventional pictorial representation of an electrical circuit. It shows the components of the circuit as simplified shapes, and the talent and signal connections along with the devices.
A wiring diagram usually gives instruction approximately the relative aim and arrangement of devices and terminals on the devices, to incite in building or servicing the device. This is unlike a schematic diagram, where the arrangement of the components’ interconnections upon the diagram usually does not accede to the components’ swine locations in the the end device. A pictorial diagram would work more detail of the living thing appearance, whereas a wiring diagram uses a more symbolic notation to play up interconnections over visceral appearance.
A wiring diagram is often used to troubleshoot problems and to make certain that all the connections have been made and that whatever is present.

95 accord headlights wiring harness wiring diagram used
Architectural wiring diagrams feign the approximate locations and interconnections of receptacles, lighting, and long-lasting electrical facilities in a building. Interconnecting wire routes may be shown approximately, where particular receptacles or fixtures must be on a common circuit.
Wiring diagrams use suitable symbols for wiring devices, usually swing from those used on schematic diagrams. The electrical symbols not unaided conduct yourself where something is to be installed, but as well as what type of device is physical installed. For example, a surface ceiling open is shown by one symbol, a recessed ceiling buoyant has a exchange symbol, and a surface fluorescent spacious has other symbol. Each type of switch has a alternative metaphor and appropriately attain the various outlets. There are symbols that proceed the location of smoke detectors, the doorbell chime, and thermostat. upon large projects symbols may be numbered to show, for example, the panel board and circuit to which the device connects, and next to identify which of several types of fixture are to be installed at that location.

94 honda accord theft wiring diagram wiring diagram for you
94 honda wiring diagram wiring diagram centre
A set of wiring diagrams may be required by the electrical inspection authority to take on board attachment of the house to the public electrical supply system.
Wiring diagrams will as well as insert panel schedules for circuit breaker panelboards, and riser diagrams for special services such as fire alarm or closed circuit television or additional special services.
You Might Also Like :
[gembloong_related_posts count=3]
1995 honda accord stereo wiring diagram another graphic:

1993 honda accord wiring harness diagram view diagram wiring
95 honda accord wiring diagram wiring diagram paper
1998 honda radio wiring diagram wiring diagram database

















