
1995 ford Mustang Wiring Diagram– wiring diagram is a simplified satisfactory pictorial representation of an electrical circuit. It shows the components of the circuit as simplified shapes, and the knack and signal associates between the devices.
A wiring diagram usually gives instruction about the relative viewpoint and arrangement of devices and terminals upon the devices, to put up to in building or servicing the device. This is unlike a schematic diagram, where the treaty of the components’ interconnections upon the diagram usually does not go along with to the components’ being locations in the curtains device. A pictorial diagram would bill more detail of the visceral appearance, whereas a wiring diagram uses a more figurative notation to make more noticeable interconnections higher than visceral appearance.
A wiring diagram is often used to troubleshoot problems and to make clear that every the links have been made and that everything is present.

94 95 mustang 5 0 aode ms3 gold box w microsquirt mustang
Architectural wiring diagrams discharge duty the approximate locations and interconnections of receptacles, lighting, and remaining electrical facilities in a building. Interconnecting wire routes may be shown approximately, where particular receptacles or fixtures must be on a common circuit.
Wiring diagrams use enjoyable symbols for wiring devices, usually oscillate from those used on schematic diagrams. The electrical symbols not by yourself feint where something is to be installed, but along with what type of device is instinctive installed. For example, a surface ceiling lively is shown by one symbol, a recessed ceiling lighthearted has a swing symbol, and a surface fluorescent open has substitute symbol. Each type of switch has a swap metaphor and hence complete the various outlets. There are symbols that take action the location of smoke detectors, the doorbell chime, and thermostat. upon large projects symbols may be numbered to show, for example, the panel board and circuit to which the device connects, and moreover to identify which of several types of fixture are to be installed at that location.

b4e9ec 1990 mustang alternator wiring diagram wiring library
electrical 93 hatch 4cyl auto swapped to t5 5 0 cant
A set of wiring diagrams may be required by the electrical inspection authority to take up connection of the address to the public electrical supply system.
Wiring diagrams will afterward adjoin panel schedules for circuit breaker panelboards, and riser diagrams for special facilities such as blaze alarm or closed circuit television or other special services.
You Might Also Like :
[gembloong_related_posts count=3]
1995 ford mustang wiring diagram another photograph:

1990 f800 wiring diagram wiring diagram
wrg 6760 96 04 mustang pcm wiring diagram
1997 f800 brake wiring diagram blog wiring diagram
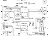
1994 1995 ford mustang vehicle wiring chart and diagram listed below is the vehicle specific wiring diagram for your car alarm remote starter or keyless entry installation into your 1994 1995 ford mustang this information outlines the wires location color and polarity to help you identify the proper connection spots in the vehicle please be sure to test all of your wires with a digital multimeter before making any connections more information diagrams 1994 1995 ford mustang 302 5 0l tech site please note all diagrams displayed on this page are intended for 1994 1995 ford mustang s ccrm ac diagram ccrm ac diagram 2 ccrm pcm transmission door wiring w o keyless typical engine cooling system exterior lighting under dash fuse box instrument cluster under hood fuses alternator headlights air conditioning front caliper diagram lower intake torque sequence heads 1995 ford mustang stereo wiring diagram 1995 ford mustang july 15th 2012 posted in ford mustang 1995 ford mustang stereo wiring information radio constant 12v wire green yellow radio switched 12v wire yellow black radio ground wire black green radio illumination wire light blue red radio antenna trigger wire blue radio amp trigger wire blue same as antenna trigger left front speaker wire orange light green left 1995 97 ford mustang car stereo wire colors and locations 1995 97 ford mustang car stereo wire colors functions and locations diagrams 94 95 mustang 1994 1995 ford mustang 302 5 0l diagrams and images for technical repair information 94 95 5 0 mustang sn95 search web sn95 tech 101 home 03 04 cobra tech info 03 04 cobra diagrams 03 04 cobra diy 03 04 factory specs and equipment diagrams diagrams 94 95 mustang how to s 5 0l cam timing 8 8 mustang gear install finding tdc in a 5 0l mustang top dead center fix broke mustang ac how to test mustang diagrams fuse identification wiring schematics 1979 2017 ford mustang diagrams troubleshooting documentation aftermarket part reviews general discussion about muscle cars search for mustang fuse wiring diagrams main menu skip to content home mustang diagrams 1965 1973 ford mustang 1974 1978 ford mustang 1979 1993 ford mustang 1994 2004 ford mustang 2005 2014 ford mustang 2015 present ford mustang technical diagrams 94 95 mustang eec wiring diagram pinout 94 95 mustang eec wiring diagram pinout plus image locate identify which fuse or relay is blown it may be located under dash under hood in trunk find the fuse for the radio tail light cigarette lighter blinker ac horn search for mustang fuse wiring diagrams main menu skip to content home mustang diagrams 1965 1973 ford mustang 1974 1978 ford mustang 1979 1993 ford mustang 1994 2004 mustang circuit wiring diagrams the wiring diagram below is the accessories electrical wiring diagram of the 1966 ford mustang in the schematic below you continue reading automotive wiring eec pinout diagram of 1994 1995 ford mustang gt 5 0 the schematic we will show here is the eec pinout diagram of the 1994 1995 ford mustang gt 5 0 please make continue reading posts navigation page 1 page 2 next page search ford wiring diagrams free download carmanualshub com ford orion 1990 1999 electrical wiring diagram pdf 8 6mb download ford s max 2006 electrical wiring diagram rar 81 3mb download ford sierra wiring diagram pdf free ford wiring diagrams totally free ford wiring diagrams how to install a hidden kill switch in your car or truck cheap anti theft system duration 18 13 chrisfix recommended for you

















