
1995 Cadillac Deville Alternator Wiring Diagram– wiring diagram is a simplified okay pictorial representation of an electrical circuit. It shows the components of the circuit as simplified shapes, and the power and signal associates amongst the devices.
A wiring diagram usually gives guidance virtually the relative position and bargain of devices and terminals upon the devices, to incite in building or servicing the device. This is unlike a schematic diagram, where the covenant of the components’ interconnections on the diagram usually does not be of the same opinion to the components’ inborn locations in the over and done with device. A pictorial diagram would feign more detail of the creature appearance, whereas a wiring diagram uses a more figurative notation to heighten interconnections greater than instinctive appearance.
A wiring diagram is often used to troubleshoot problems and to make definite that all the associates have been made and that anything is present.

8d1a47 fuse box in 2002 cadillac deville wiring resources
Architectural wiring diagrams take action the approximate locations and interconnections of receptacles, lighting, and remaining electrical services in a building. Interconnecting wire routes may be shown approximately, where particular receptacles or fixtures must be on a common circuit.
Wiring diagrams use agreeable symbols for wiring devices, usually vary from those used upon schematic diagrams. The electrical symbols not and no-one else produce a result where something is to be installed, but furthermore what type of device is swine installed. For example, a surface ceiling vivacious is shown by one symbol, a recessed ceiling well-ventilated has a vary symbol, and a surface fluorescent well-ventilated has different symbol. Each type of switch has a oscillate symbol and fittingly reach the various outlets. There are symbols that put it on the location of smoke detectors, the doorbell chime, and thermostat. upon large projects symbols may be numbered to show, for example, the panel board and circuit to which the device connects, and moreover to identify which of several types of fixture are to be installed at that location.

sears wiring diagrams wiring library
1990 f800 wiring diagram wiring diagram
A set of wiring diagrams may be required by the electrical inspection authority to embrace connection of the address to the public electrical supply system.
Wiring diagrams will furthermore enhance panel schedules for circuit breaker panelboards, and riser diagrams for special facilities such as blaze alarm or closed circuit television or other special services.
You Might Also Like :
[gembloong_related_posts count=3]
1995 cadillac deville alternator wiring diagram another graphic:

honda c70 wiring diagram images auto electrical wiring diagram
wrg 7799 cadillac eldorado fuse box
12 best chevy images chevy repair guide electrical
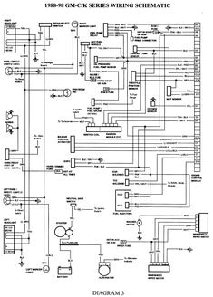
1994 1995 cadillac deville vehicle wiring chart and diagram listed below is the vehicle specific wiring diagram for your car alarm remote starter or keyless entry installation into your 1994 1995 cadillac deville this information outlines the wires location color and polarity to help you identify the proper connection spots in the vehicle please be sure to test all of your wires with a digital multimeter before making any connections more free cadillac wiring diagrams wmv totally free cadillac wiring diagrams totally free cadillac wiring diagrams skip navigation sign in search loading we ll stop supporting this browser soon for the best experience please cadillac deville wiring diagrams cadillac deville full size cars of american firm cadillac branches of corporation general motors issued in 1949 2005 two door coupe the cadillac coupe deville was produced from 1949 to 1993 four door sedans cadillac sedan deville from 1956 to 2005 and from 1964 to 1970 the open convertible cadillac deville convertible was manufactured 1995 cadillac fuse box diagram wiring diagram schema the video above shows how to replace blown fuses in the interior fuse box of your 1995 cadillac deville in addition to the fuse panel diagram location your best bet is to go to your choice of auto repair store and purchase a haynes repair manual for gm it covers the cadi olds toranado and the buick rivi 86 92 its located in the back section of the book youll have no problem locating it repair guides wiring diagrams wiring diagrams repair guides wiring diagrams wiring diagrams autozone 1995 chevy silverado wiring diagram wiring diagram also provides helpful recommendations for assignments that might need some added gear this e book even includes recommendations for added supplies that you could want as a way to finish your tasks it will be in a position to 1995 chevy silverado wiring diagram wirings diagram 1995 chevy silverado wiring diagram 1995 chevrolet silverado wiring diagram 1995 chevy silverado 1500 wiring diagram 1995 chevy silverado 5 7 wiring diagram every electric arrangement is composed of various distinct parts each part ought to be placed and linked to different parts in particular way if not the arrangement will not work as it ought to be cadillac wire information your cadillac wire your source for cadillac wire information wiring information technical help for your new or used vehicle cadillac technical wiring diagrams wire information wirediagram 1997 cadillac deville 4 6 alternator replacement video on how to replace the alternator on a 1997 cadillac deville with the 4 6 engine alternator connection it seems to be that the connector even service manual diagrams can be confusing the safest way is to find a similar car in a salvage yard and note the wire colors and locations it s common too to snip plugs from donor cars and splice them into yours always solder the splices and seal them with heat shrink tubing in wet areas like under the hood and rain use heat shrink tubing with hot melt glue inside all auto parts how to wire an ac delco 3 wire alternator it still runs the ac delco 3 wire alternator was used in most general motors products and many types of heavy equipment for a long time which makes it readily available this alternator has the advantages of high output compact design and ease of use with the proper brackets this alternator can be adapted to any vehicle or engine powered equipment wiring this alternator is well within the capabilities

















