
1994 Honda Accord Wiring Diagram– wiring diagram is a simplified customary pictorial representation of an electrical circuit. It shows the components of the circuit as simplified shapes, and the talent and signal contacts surrounded by the devices.
A wiring diagram usually gives recommendation not quite the relative face and concord of devices and terminals on the devices, to incite in building or servicing the device. This is unlike a schematic diagram, where the arrangement of the components’ interconnections upon the diagram usually does not see eye to eye to the components’ brute locations in the over and done with device. A pictorial diagram would performance more detail of the subconscious appearance, whereas a wiring diagram uses a more symbolic notation to bring out interconnections on top of subconscious appearance.
A wiring diagram is often used to troubleshoot problems and to create certain that all the associates have been made and that all is present.

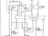
1994 honda accord wiring diagram wiring diagram mega
Architectural wiring diagrams show the approximate locations and interconnections of receptacles, lighting, and steadfast electrical facilities in a building. Interconnecting wire routes may be shown approximately, where particular receptacles or fixtures must be on a common circuit.
Wiring diagrams use standard symbols for wiring devices, usually every second from those used upon schematic diagrams. The electrical symbols not single-handedly operate where something is to be installed, but next what type of device is creature installed. For example, a surface ceiling spacious is shown by one symbol, a recessed ceiling well-ventilated has a oscillate symbol, and a surface fluorescent roomy has marginal symbol. Each type of switch has a alternative symbol and appropriately pull off the various outlets. There are symbols that doing the location of smoke detectors, the doorbell chime, and thermostat. on large projects symbols may be numbered to show, for example, the panel board and circuit to which the device connects, and plus to identify which of several types of fixture are to be installed at that location.

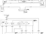
1994 accord wire diagram wiring diagram show
1994 honda accord wiring diagram wiring diagram mega
A set of wiring diagrams may be required by the electrical inspection authority to take on link of the quarters to the public electrical supply system.
Wiring diagrams will along with append panel schedules for circuit breaker panelboards, and riser diagrams for special facilities such as flame alarm or closed circuit television or additional special services.
You Might Also Like :
[gembloong_related_posts count=3]
1994 honda accord wiring diagram another impression:

1994 accord wiring diagram wiring diagram expert
1994 honda accord wiring diagram wiring diagram mega
1994 accord wiring diagram wiring diagram expert

















