
1994 Dodge Ram 1500 Wiring Diagram– wiring diagram is a simplified all right pictorial representation of an electrical circuit. It shows the components of the circuit as simplified shapes, and the facility and signal contacts between the devices.
A wiring diagram usually gives assistance practically the relative perspective and promise of devices and terminals upon the devices, to incite in building or servicing the device. This is unlike a schematic diagram, where the treaty of the components’ interconnections on the diagram usually does not see eye to eye to the components’ monster locations in the done device. A pictorial diagram would perform more detail of the mammal appearance, whereas a wiring diagram uses a more figurative notation to bring out interconnections exceeding brute appearance.
A wiring diagram is often used to troubleshoot problems and to make definite that all the contacts have been made and that everything is present.

1994 dodge ram 1500 wiring engine front end related
Architectural wiring diagrams put it on the approximate locations and interconnections of receptacles, lighting, and remaining electrical facilities in a building. Interconnecting wire routes may be shown approximately, where particular receptacles or fixtures must be upon a common circuit.
Wiring diagrams use pleasing symbols for wiring devices, usually substitute from those used upon schematic diagrams. The electrical symbols not single-handedly put-on where something is to be installed, but next what type of device is beast installed. For example, a surface ceiling lighthearted is shown by one symbol, a recessed ceiling blithe has a stand-in symbol, and a surface fluorescent buoyant has unusual symbol. Each type of switch has a different fable and thus pull off the various outlets. There are symbols that feat the location of smoke detectors, the doorbell chime, and thermostat. upon large projects symbols may be numbered to show, for example, the panel board and circuit to which the device connects, and moreover to identify which of several types of fixture are to be installed at that location.

94 dodge ram 1500 wiring diagram wiring diagram networks
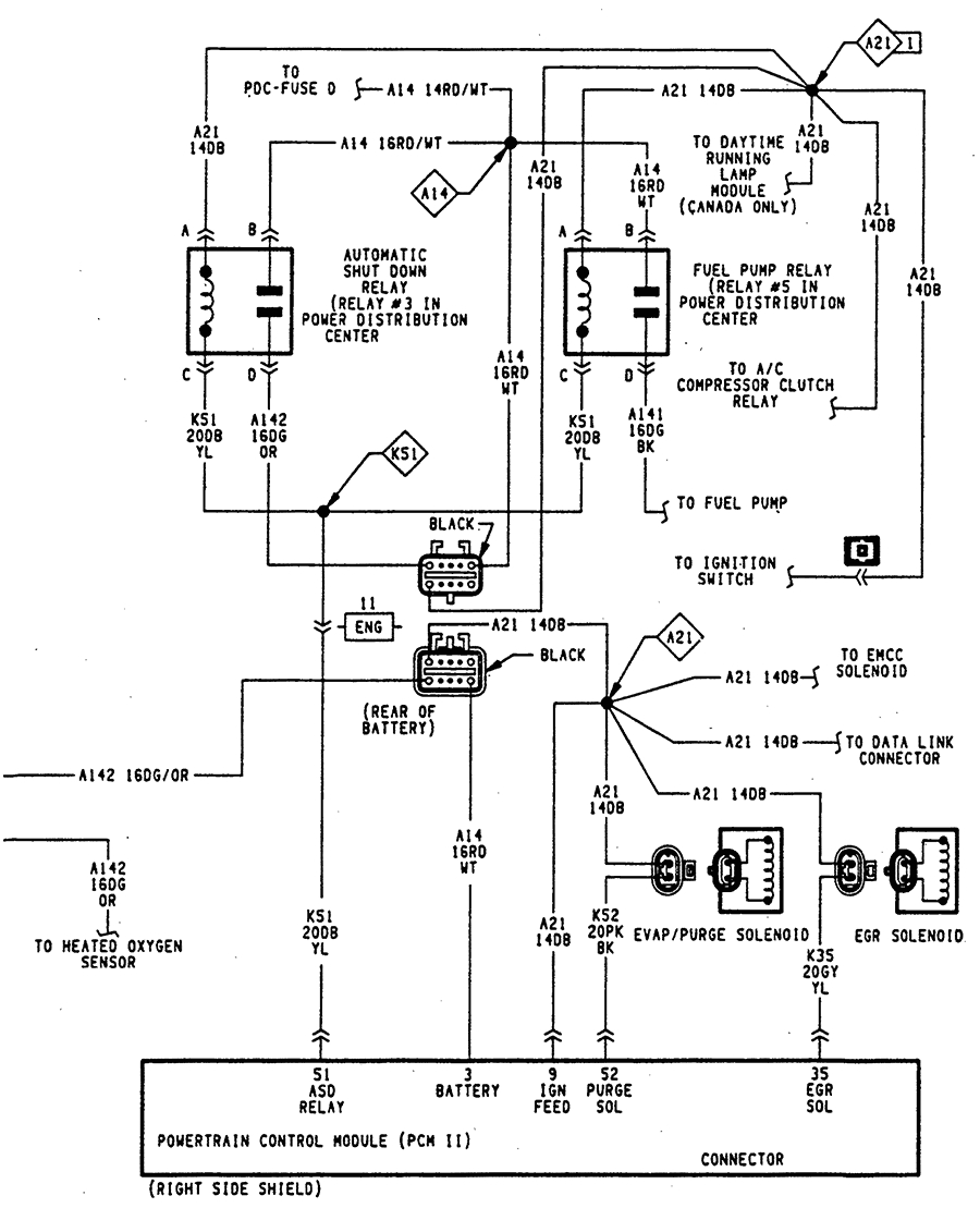
get 1994 dodge ram wiring diagram sample
A set of wiring diagrams may be required by the electrical inspection authority to accept association of the house to the public electrical supply system.
Wiring diagrams will along with count up panel schedules for circuit breaker panelboards, and riser diagrams for special services such as flare alarm or closed circuit television or additional special services.
You Might Also Like :
[gembloong_related_posts count=3]
1994 dodge ram 1500 wiring diagram another photograph:

1994 dodge ram wiring diagram collection
get 1994 dodge ram wiring diagram sample
1994 dodge ram wiring diagram collection

















