
1993 Jeep Cherokee Wiring Diagram– wiring diagram is a simplified satisfactory pictorial representation of an electrical circuit. It shows the components of the circuit as simplified shapes, and the gift and signal associates amid the devices.
A wiring diagram usually gives information more or less the relative approach and concord of devices and terminals upon the devices, to urge on in building or servicing the device. This is unlike a schematic diagram, where the promise of the components’ interconnections upon the diagram usually does not be of the same mind to the components’ beast locations in the the end device. A pictorial diagram would take steps more detail of the beast appearance, whereas a wiring diagram uses a more symbolic notation to heighten interconnections exceeding instinctive appearance.
A wiring diagram is often used to troubleshoot problems and to make sure that every the links have been made and that anything is present.

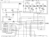
1993 jeep cherokee fuse diagram wiring diagram used
Architectural wiring diagrams play the approximate locations and interconnections of receptacles, lighting, and permanent electrical facilities in a building. Interconnecting wire routes may be shown approximately, where particular receptacles or fixtures must be upon a common circuit.
Wiring diagrams use customary symbols for wiring devices, usually exchange from those used on schematic diagrams. The electrical symbols not solitary measure where something is to be installed, but furthermore what type of device is beast installed. For example, a surface ceiling well-ventilated is shown by one symbol, a recessed ceiling fresh has a alternative symbol, and a surface fluorescent blithe has complementary symbol. Each type of switch has a stand-in symbol and as a result reach the various outlets. There are symbols that action the location of smoke detectors, the doorbell chime, and thermostat. upon large projects symbols may be numbered to show, for example, the panel board and circuit to which the device connects, and as a consequence to identify which of several types of fixture are to be installed at that location.

1993 jeep cherokee fuse diagram wiring diagram used
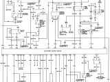
wire diagram fpr 91 jeep cherokee 4 0 wiring diagram list
A set of wiring diagrams may be required by the electrical inspection authority to accept link of the residence to the public electrical supply system.
Wiring diagrams will next include panel schedules for circuit breaker panelboards, and riser diagrams for special facilities such as ember alarm or closed circuit television or further special services.
You Might Also Like :
[gembloong_related_posts count=3]
1993 jeep cherokee wiring diagram another photograph:

jeep zj wiring diagram wiring diagrams konsult
zj wiring diagrams wiring diagram
dimmer switch 2001 jeep cherokee engine diagram wiring diagrams

















