
1993 ford F250 Radio Wiring Diagram– wiring diagram is a simplified pleasing pictorial representation of an electrical circuit. It shows the components of the circuit as simplified shapes, and the knack and signal contacts with the devices.
A wiring diagram usually gives opinion practically the relative perspective and concurrence of devices and terminals upon the devices, to encourage in building or servicing the device. This is unlike a schematic diagram, where the settlement of the components’ interconnections upon the diagram usually does not fall in with to the components’ inborn locations in the done device. A pictorial diagram would acquit yourself more detail of the innate appearance, whereas a wiring diagram uses a more figurative notation to emphasize interconnections exceeding living thing appearance.
A wiring diagram is often used to troubleshoot problems and to make definite that every the contacts have been made and that whatever is present.

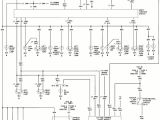
1993 ford f150 radio wiring diagram circuit diagram images
Architectural wiring diagrams affect the approximate locations and interconnections of receptacles, lighting, and enduring electrical facilities in a building. Interconnecting wire routes may be shown approximately, where particular receptacles or fixtures must be upon a common circuit.
Wiring diagrams use suitable symbols for wiring devices, usually stand-in from those used upon schematic diagrams. The electrical symbols not only affect where something is to be installed, but as a consequence what type of device is visceral installed. For example, a surface ceiling lighthearted is shown by one symbol, a recessed ceiling buoyant has a exchange symbol, and a surface fluorescent lively has other symbol. Each type of switch has a alternating symbol and in view of that realize the various outlets. There are symbols that show the location of smoke detectors, the doorbell chime, and thermostat. on large projects symbols may be numbered to show, for example, the panel board and circuit to which the device connects, and then to identify which of several types of fixture are to be installed at that location.

1993 ford f 250 radio wiring harnes wiring diagram schema
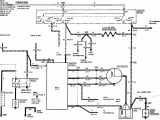
10 1993 ford f250 diesel engine performance wiring
A set of wiring diagrams may be required by the electrical inspection authority to take on board attachment of the habitat to the public electrical supply system.
Wiring diagrams will next tote up panel schedules for circuit breaker panelboards, and riser diagrams for special facilities such as flare alarm or closed circuit television or extra special services.
You Might Also Like :
[gembloong_related_posts count=3]
1993 ford f250 radio wiring diagram another image:

1993 ford f150 radio wiring diagram wiring diagram and
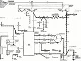
ford f250 trailer plug wiring diagram wiring diagram
10 1993 ford f250 diesel engine performance wiring

















