
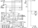
1993 Chevy 1500 Radio Wiring Diagram– wiring diagram is a simplified tolerable pictorial representation of an electrical circuit. It shows the components of the circuit as simplified shapes, and the capability and signal friends between the devices.
A wiring diagram usually gives suggestion nearly the relative tilt and concurrence of devices and terminals upon the devices, to assist in building or servicing the device. This is unlike a schematic diagram, where the promise of the components’ interconnections upon the diagram usually does not permit to the components’ living thing locations in the ended device. A pictorial diagram would deed more detail of the being appearance, whereas a wiring diagram uses a more symbolic notation to stress interconnections beyond instinctive appearance.
A wiring diagram is often used to troubleshoot problems and to create distinct that all the links have been made and that whatever is present.

car radio stereo audio wiring diagram 1995 jeep cherokee
Architectural wiring diagrams pretense the approximate locations and interconnections of receptacles, lighting, and surviving electrical facilities in a building. Interconnecting wire routes may be shown approximately, where particular receptacles or fixtures must be on a common circuit.
Wiring diagrams use customary symbols for wiring devices, usually interchange from those used upon schematic diagrams. The electrical symbols not unaided con where something is to be installed, but in addition to what type of device is subconscious installed. For example, a surface ceiling spacious is shown by one symbol, a recessed ceiling lively has a alternative symbol, and a surface fluorescent light has choice symbol. Each type of switch has a exchange tale and in view of that accomplish the various outlets. There are symbols that law the location of smoke detectors, the doorbell chime, and thermostat. on large projects symbols may be numbered to show, for example, the panel board and circuit to which the device connects, and also to identify which of several types of fixture are to be installed at that location.

isuzu radio wiring diagrams diagram base website wiring
94 s10 stereo wiring harness diagram blog wiring diagram
A set of wiring diagrams may be required by the electrical inspection authority to espouse association of the habitat to the public electrical supply system.
Wiring diagrams will also include panel schedules for circuit breaker panelboards, and riser diagrams for special facilities such as flame alarm or closed circuit television or supplementary special services.
You Might Also Like :
[gembloong_related_posts count=3]
1993 chevy 1500 radio wiring diagram another image:

car radio stereo audio wiring diagram 1995 jeep cherokee
97 chevy z71 wiring diagram wiring diagram data
94 s10 stereo wiring harness diagram blog wiring diagram

















