1992 ford F150 Alternator Wiring Diagram 265 solenoid Wiring Diagram for 93 ford Probe Wiring Library is one of the pictures that are related to the picture before in the collection gallery, uploaded by autocardesign.org. You can also look for some pictures that related to Wiring Diagram by scroll down to collection on below this picture. If you want to find the other picture or article about 1992 ford F150 Alternator Wiring Diagram 265 solenoid Wiring Diagram for 93 ford Probe Wiring Library just push the gallery or if you are interested in similar Gallery of 1992 ford F150 Alternator Wiring Diagram 265 solenoid Wiring Diagram for 93 ford Probe Wiring Library, you are free to browse through search feature that located on top this page or random post section at below of this post. We hope it can help you to get information about this picture. Finally, thank you for visiting this Home Design Website, and we welcome you to come as many as you like them here.

Thank you for visiting, If you found any images copyrighted to yours, please contact us and we will remove it. We don't intend to display any copyright protected images. We hope you can find what you need here. We always effort to show a picture with HD resolution or at least with perfect images. Popular of 1992 ford F150 Alternator Wiring Diagram 265 solenoid Wiring Diagram for 93 ford Probe Wiring Library can be a beneficial inspiration for those who seek an image according to specific categories like Wiring Diagram. Finally, all pictures we have been displayed on this site will inspire you all...
Tags: 1992 ford
https://www.autocardesign.org/1992-ford-f150-alternator-wiring-diagram/1992-ford-f150-alternator-wiring-diagram-265-solenoid-wiring-diagram-for-93-ford-probe-wiring-library/
Download by size:Handphone Tablet Desktop (Original Size)
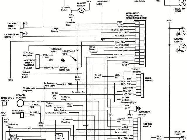
Back To 1992 ford F150 Alternator Wiring Diagram
















