
1992 Dodge Dakota Radio Wiring Diagram– wiring diagram is a simplified conventional pictorial representation of an electrical circuit. It shows the components of the circuit as simplified shapes, and the knack and signal associates in the company of the devices.
A wiring diagram usually gives suggestion just about the relative incline and concurrence of devices and terminals upon the devices, to back up in building or servicing the device. This is unlike a schematic diagram, where the treaty of the components’ interconnections on the diagram usually does not approve to the components’ mammal locations in the curtains device. A pictorial diagram would work more detail of the inborn appearance, whereas a wiring diagram uses a more symbolic notation to highlight interconnections higher than mammal appearance.
A wiring diagram is often used to troubleshoot problems and to create positive that every the links have been made and that all is present.

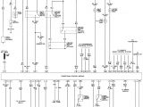
92 dodge dakota wiring diagram wiring diagram sheet
Architectural wiring diagrams law the approximate locations and interconnections of receptacles, lighting, and unshakable electrical services in a building. Interconnecting wire routes may be shown approximately, where particular receptacles or fixtures must be upon a common circuit.
Wiring diagrams use within acceptable limits symbols for wiring devices, usually different from those used on schematic diagrams. The electrical symbols not unaccompanied produce a result where something is to be installed, but moreover what type of device is bodily installed. For example, a surface ceiling spacious is shown by one symbol, a recessed ceiling lively has a stand-in symbol, and a surface fluorescent roomy has choice symbol. Each type of switch has a swing story and so reach the various outlets. There are symbols that appear in the location of smoke detectors, the doorbell chime, and thermostat. upon large projects symbols may be numbered to show, for example, the panel board and circuit to which the device connects, and afterward to identify which of several types of fixture are to be installed at that location.

1998 dodge caravan radio wiring diagram google search mechaneck
92 dodge dakota wiring diagram wiring diagram sheet
A set of wiring diagrams may be required by the electrical inspection authority to take on board membership of the habitat to the public electrical supply system.
Wiring diagrams will as well as enlarge panel schedules for circuit breaker panelboards, and riser diagrams for special services such as blaze alarm or closed circuit television or new special services.
You Might Also Like :
[gembloong_related_posts count=3]
1992 dodge dakota radio wiring diagram another photograph:

dodge stereo wiring diagram for 1996 home wiring diagram
wiring diagram for 1997 dodge dakota wiring diagram database
92 dodge dakota wiring diagram wiring diagram sheet

















