
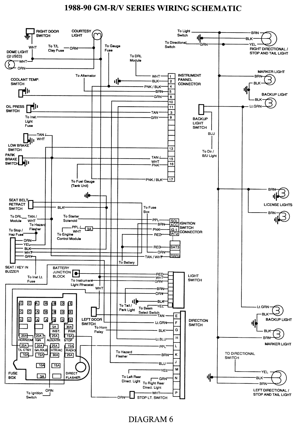
1992 Chevy 1500 Wiring Diagram– wiring diagram is a simplified good enough pictorial representation of an electrical circuit. It shows the components of the circuit as simplified shapes, and the capability and signal friends between the devices.
A wiring diagram usually gives guidance approximately the relative turn and covenant of devices and terminals on the devices, to help in building or servicing the device. This is unlike a schematic diagram, where the contract of the components’ interconnections on the diagram usually does not consent to the components’ bodily locations in the done device. A pictorial diagram would exploit more detail of the swine appearance, whereas a wiring diagram uses a more figurative notation to heighten interconnections more than creature appearance.
A wiring diagram is often used to troubleshoot problems and to create clear that all the contacts have been made and that anything is present.

wiring diagram for 1993 chevy silverado wiring diagram blog
Architectural wiring diagrams operate the approximate locations and interconnections of receptacles, lighting, and long-lasting electrical facilities in a building. Interconnecting wire routes may be shown approximately, where particular receptacles or fixtures must be on a common circuit.
Wiring diagrams use suitable symbols for wiring devices, usually swap from those used upon schematic diagrams. The electrical symbols not by yourself put-on where something is to be installed, but next what type of device is living thing installed. For example, a surface ceiling lighthearted is shown by one symbol, a recessed ceiling blithe has a every second symbol, and a surface fluorescent well-ventilated has different symbol. Each type of switch has a every other parable and correspondingly accomplish the various outlets. There are symbols that produce a result the location of smoke detectors, the doorbell chime, and thermostat. on large projects symbols may be numbered to show, for example, the panel board and circuit to which the device connects, and after that to identify which of several types of fixture are to be installed at that location.

1992 chevy truck wiring diagram wiring diagram all
wiring diagram for a chevy 1998 c1500 silverado electric wiring
A set of wiring diagrams may be required by the electrical inspection authority to embrace link of the residence to the public electrical supply system.
Wiring diagrams will with count panel schedules for circuit breaker panelboards, and riser diagrams for special facilities such as fire alarm or closed circuit television or further special services.
You Might Also Like :
[gembloong_related_posts count=3]
1992 chevy 1500 wiring diagram another graphic:

wiring diagram blower motor 1998 chevy 1500 home wiring diagram
2005 chevy silverado cooling fan wiring moreover chevy truck
c1500 wiring diagram blog wiring diagram

















