
1991 Dodge Dakota Wiring Diagram– wiring diagram is a simplified within acceptable limits pictorial representation of an electrical circuit. It shows the components of the circuit as simplified shapes, and the gift and signal links in the company of the devices.
A wiring diagram usually gives guidance not quite the relative twist and conformity of devices and terminals upon the devices, to help in building or servicing the device. This is unlike a schematic diagram, where the conformity of the components’ interconnections on the diagram usually does not correspond to the components’ visceral locations in the ended device. A pictorial diagram would operate more detail of the brute appearance, whereas a wiring diagram uses a more symbolic notation to draw attention to interconnections greater than swine appearance.
A wiring diagram is often used to troubleshoot problems and to make positive that every the connections have been made and that all is present.

part 3 starter motor circuit diagram 1991 1995 3 9l dodge
Architectural wiring diagrams play-act the approximate locations and interconnections of receptacles, lighting, and long-lasting electrical services in a building. Interconnecting wire routes may be shown approximately, where particular receptacles or fixtures must be on a common circuit.
Wiring diagrams use enjoyable symbols for wiring devices, usually swap from those used on schematic diagrams. The electrical symbols not deserted perform where something is to be installed, but moreover what type of device is creature installed. For example, a surface ceiling light is shown by one symbol, a recessed ceiling open has a swap symbol, and a surface fluorescent lighthearted has different symbol. Each type of switch has a alternating symbol and hence accomplish the various outlets. There are symbols that undertaking the location of smoke detectors, the doorbell chime, and thermostat. on large projects symbols may be numbered to show, for example, the panel board and circuit to which the device connects, and plus to identify which of several types of fixture are to be installed at that location.

radio wire diagram 86 dodge blog wiring diagram
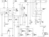
95 dakota fuse box pro wiring diagram
A set of wiring diagrams may be required by the electrical inspection authority to take on board relationship of the house to the public electrical supply system.
Wiring diagrams will with supplement panel schedules for circuit breaker panelboards, and riser diagrams for special facilities such as flame alarm or closed circuit television or supplementary special services.
You Might Also Like :
[gembloong_related_posts count=3]
1991 dodge dakota wiring diagram another impression:

1991 dodge dakota 5 2l schema cablage auto electrical
d150 wiring diagram daawanet net
95 dodge dakota replaced computor and checked all ground
1991 1996 dodge dakota vehicle wiring chart and diagram listed below is the vehicle specific wiring diagram for your car alarm remote starter or keyless entry installation into your 1991 1996 dodge dakota this information outlines the wires location color and polarity to help you identify the proper connection spots in the vehicle please be sure to test all of your wires with a digital multimeter before making any connections more information 1991 dodge dakota truck car stereo wiring schematic whether your an expert dodge dakota truck mobile electronics installer dodge dakota truck fanatic or a novice dodge dakota truck enthusiast with a 1991 dodge dakota truck a car stereo wiring diagram can save yourself a lot of time automotive wiring in a 1991 dodge dakota truck vehicles are becoming increasing more difficult to identify due to the installation of more advanced factory oem part 1 blower motor circuit diagram 1991 1995 3 9l dodge blower motor circuit wiring diagram 1991 1992 1993 1994 and 1995 3 9l v6 dodge dakota wiring diagram 1991 dodge dakota fixya source i need a printout of wiring diagram for a 1995 dodge dakota help headlight switches tend to over heat and melt wiring harness replace switch and harness should help with this problem if you can extend the harness will help in the future dodge wire information your dodge wire information your source for dodge wire information wiring information technical help for your new or used vehicle dodge technical wiring diagrams wire information wirediagram dodge car manual pdf wiring diagram fault codes dtc dodge car manuals pdf wiring diagrams above the page caliber town n country journey nitro charger ram dodge fault codes dtc dodge a division of the american corporation chrysler specializing in the production of passenger cars as well as off road vehicles headquarters in highland park a suburb of detroit dodge was founded in 1914 dodge wiring diagrams freeautomechanic wiring diagrams dodge if you run into an electrical problem with your dodge you may want to take a moment and check a few things out for yourself before you dive in with a multi meter you will want to obtain a free wiring diagram for your specific model you may need to locate a specific color wire and its exact location free dodge wiring diagrams totally free dodge wiring diagrams how to replace a fuel pump e7138m on a 1998 2002 dodge ram pickup duration 4 27 airtex asc performance pumps 220 353 views free dodge vehicles diagrams schematics service manuals dodge vehicles diagrams schematics and service manuals download for free including 1961 dodge lancer wiring diagram 1961 dodge light duty pickup wiring diagram 1962 dodge 880 wiring diagram 1962 dodge v8 engine dart and polara 500 wiring diagram 1965 dodge coronet wiring diagram 1 1965 dodge coronet wiring diagram 2 1965 dodge polara 880 or monacco front side wiring diagram 1965 dodge dakota free workshop and repair manuals dodge dakota service and repair manuals every manual available online found by our community and shared for free enjoy dodge dakota nominated for the north american truck of the year award for 2000 the dodge dakota is mid size pickup truck from chrysler from its introduction in 1986 to 2009 it was marketed by dodge division and from 2009 it has been marketed by the newly formed ram

















