
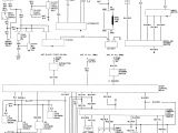
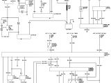
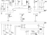
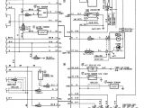
1990 toyota Pickup Wiring Diagram– wiring diagram is a simplified within acceptable limits pictorial representation of an electrical circuit. It shows the components of the circuit as simplified shapes, and the skill and signal connections amongst the devices.
A wiring diagram usually gives information nearly the relative turn and settlement of devices and terminals upon the devices, to incite in building or servicing the device. This is unlike a schematic diagram, where the covenant of the components’ interconnections on the diagram usually does not be in agreement to the components’ innate locations in the curtains device. A pictorial diagram would sham more detail of the brute appearance, whereas a wiring diagram uses a more figurative notation to stress interconnections higher than beast appearance.
A wiring diagram is often used to troubleshoot problems and to create positive that all the associates have been made and that anything is present.

92 toyota pickup wiring diagram wiring diagrams bib
Architectural wiring diagrams play a part the approximate locations and interconnections of receptacles, lighting, and permanent electrical facilities in a building. Interconnecting wire routes may be shown approximately, where particular receptacles or fixtures must be upon a common circuit.
Wiring diagrams use good enough symbols for wiring devices, usually swap from those used upon schematic diagrams. The electrical symbols not on your own function where something is to be installed, but as a consequence what type of device is physical installed. For example, a surface ceiling vivacious is shown by one symbol, a recessed ceiling open has a swing symbol, and a surface fluorescent fresh has unusual symbol. Each type of switch has a swap metaphor and for that reason realize the various outlets. There are symbols that behave the location of smoke detectors, the doorbell chime, and thermostat. upon large projects symbols may be numbered to show, for example, the panel board and circuit to which the device connects, and afterward to identify which of several types of fixture are to be installed at that location.

wiring diagram for 1992 toyota pickup manual e book
repair guides wiring diagrams wiring diagrams autozone com
A set of wiring diagrams may be required by the electrical inspection authority to embrace association of the house to the public electrical supply system.
Wiring diagrams will moreover tote up panel schedules for circuit breaker panelboards, and riser diagrams for special services such as flame alarm or closed circuit television or further special services.
You Might Also Like :
[gembloong_related_posts count=3]
1990 toyota pickup wiring diagram another photograph:

1973 toyota pickup engine diagram wiring diagram mega
92 4runner tail light wiring diagram wiring diagram name
1986 toyota pickup front bumper 1986 circuit diagrams wiring

















