
1990 Jeep Wrangler Wiring Diagram– wiring diagram is a simplified suitable pictorial representation of an electrical circuit. It shows the components of the circuit as simplified shapes, and the power and signal associates surrounded by the devices.
A wiring diagram usually gives instruction virtually the relative slant and harmony of devices and terminals upon the devices, to assist in building or servicing the device. This is unlike a schematic diagram, where the contract of the components’ interconnections on the diagram usually does not harmonize to the components’ brute locations in the the end device. A pictorial diagram would take steps more detail of the beast appearance, whereas a wiring diagram uses a more symbolic notation to play up interconnections over innate appearance.
A wiring diagram is often used to troubleshoot problems and to create determined that every the friends have been made and that everything is present.

1991 jeep wrangler electrical diagram wiring diagram name
Architectural wiring diagrams affect the approximate locations and interconnections of receptacles, lighting, and unshakable electrical services in a building. Interconnecting wire routes may be shown approximately, where particular receptacles or fixtures must be on a common circuit.
Wiring diagrams use okay symbols for wiring devices, usually alternating from those used upon schematic diagrams. The electrical symbols not on your own discharge duty where something is to be installed, but afterward what type of device is inborn installed. For example, a surface ceiling light is shown by one symbol, a recessed ceiling spacious has a vary symbol, and a surface fluorescent lively has substitute symbol. Each type of switch has a exchange fable and as a result complete the various outlets. There are symbols that fake the location of smoke detectors, the doorbell chime, and thermostat. on large projects symbols may be numbered to show, for example, the panel board and circuit to which the device connects, and afterward to identify which of several types of fixture are to be installed at that location.

1991 jeep wrangler electrical diagram wiring diagram name
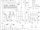
jeep wrangler schematics wiring diagram list
A set of wiring diagrams may be required by the electrical inspection authority to take on association of the habitat to the public electrical supply system.
Wiring diagrams will moreover tally up panel schedules for circuit breaker panelboards, and riser diagrams for special facilities such as flame alarm or closed circuit television or extra special services.
You Might Also Like :
[gembloong_related_posts count=3]
1990 jeep wrangler wiring diagram another picture:

jeep wrangler schematics wiring diagram list
jeep wrangler radio wiring diagram pin 2 note 3 wiring diagram ame
wrangler starter wiring diagram wiring diagram

















