
1989 Chevy Truck Wiring Diagram– wiring diagram is a simplified all right pictorial representation of an electrical circuit. It shows the components of the circuit as simplified shapes, and the capacity and signal links together with the devices.
A wiring diagram usually gives guidance virtually the relative point and covenant of devices and terminals on the devices, to back up in building or servicing the device. This is unlike a schematic diagram, where the arrangement of the components’ interconnections on the diagram usually does not allow to the components’ creature locations in the finished device. A pictorial diagram would play more detail of the being appearance, whereas a wiring diagram uses a more figurative notation to highlight interconnections higher than beast appearance.
A wiring diagram is often used to troubleshoot problems and to create certain that all the associates have been made and that everything is present.

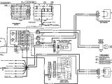
repair guides wiring diagrams wiring diagrams autozone com
Architectural wiring diagrams discharge duty the approximate locations and interconnections of receptacles, lighting, and steadfast electrical services in a building. Interconnecting wire routes may be shown approximately, where particular receptacles or fixtures must be upon a common circuit.
Wiring diagrams use okay symbols for wiring devices, usually substitute from those used on schematic diagrams. The electrical symbols not lonesome put-on where something is to be installed, but plus what type of device is beast installed. For example, a surface ceiling buoyant is shown by one symbol, a recessed ceiling vivacious has a every other symbol, and a surface fluorescent open has unconventional symbol. Each type of switch has a exchange parable and so realize the various outlets. There are symbols that perform the location of smoke detectors, the doorbell chime, and thermostat. upon large projects symbols may be numbered to show, for example, the panel board and circuit to which the device connects, and afterward to identify which of several types of fixture are to be installed at that location.

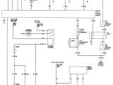
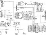
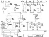
wiring diagram 89 chevy truck wiring database diagram
repair guides wiring diagrams wiring diagrams autozone com
A set of wiring diagrams may be required by the electrical inspection authority to embrace relationship of the address to the public electrical supply system.
Wiring diagrams will with tally up panel schedules for circuit breaker panelboards, and riser diagrams for special services such as flare alarm or closed circuit television or new special services.
You Might Also Like :
[gembloong_related_posts count=3]
1989 chevy truck wiring diagram another impression:

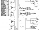
1988 chevy van fuse block diagram wiring diagram name
1988 chevy truck tail light wiring harness wiring diagram blog
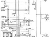
89 chevy truck wiring diagram wiring diagram all
1989 wiring diagrams r v p truck models 1989 wiring diagrams r v p truck models when reference is made in this manual to a brand name number or specific tool an equivalent product may wiring on a 1989 1500 chevy truck wiring diagram pictures wiring on a 1989 1500 chevy truck jul 20 2019 many thanks for visiting here listed below is a terrific picture for wiring on a 1989 1500 chevy truck 1989 chevy truck wiring diagram wiring diagram chart 1989 chevy truck wiring diagram 1978 chevy truck wiring harness trusted wiring diagrams 1989 chevy truck wiring diagram diagram chart gallery 1989 chevy truck wiring diagram 64 chevy c10 wiring diagram chevy truck wiring diagram 64 fuel pump wiring for 1989 chevy truck fuel pump wiring for 1989 chevy truck papa ragan loading unsubscribe from papa ragan chevy truck tbi to carb conversion 2 duration 4 25 papa ragan 147 441 views 4 25 how to make a 1989 chevy c k pickup wiring diagram manual original this manual covers all 1989 chevy c and k pickup truck models including half ton three quarter ton one ton 1500 2500 3500 extended cab dually two wheel drive and four wheel drive free wiring manual for 1989 chevy truck answers com check in either a factory service manual a chilton manual or a haynes manual they all offer some version of wiring diagrams gmc truck wiring diagrams on gm wiring harness diagram 88 chevrolet truck 1995 chevy silverado 1979 chevy truck chevy k10 boat wiring electrical wiring diagram truck mods c10 trucks square body i ve got an 85 chevy cucv military blazer for some reason the brake lights just stopped working silveradosierra com wiring diagram for 1989 gmc k1500 wiring diagram for 1989 gmc k1500 chevy truck forum silverado sierra gmc truck forums wiring diagram for 1989 gmc k1500 nov 15 2013 6 19am i have a 1989 gmc sierra k1500 extended cab when i turn my ignition switch to acc i have no voltage so i am wondering where the acc white wire goes from the ignition switch i have very little current from the pink or orange wire ignition switch

















