
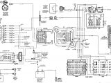
1988 toyota Pickup Wiring Diagram– wiring diagram is a simplified gratifying pictorial representation of an electrical circuit. It shows the components of the circuit as simplified shapes, and the skill and signal connections amid the devices.
A wiring diagram usually gives assistance more or less the relative direction and pact of devices and terminals upon the devices, to help in building or servicing the device. This is unlike a schematic diagram, where the covenant of the components’ interconnections upon the diagram usually does not settle to the components’ monster locations in the over and done with device. A pictorial diagram would measure more detail of the swine appearance, whereas a wiring diagram uses a more symbolic notation to heighten interconnections beyond mammal appearance.
A wiring diagram is often used to troubleshoot problems and to create positive that every the associates have been made and that anything is present.

repair guides wiring diagrams wiring diagrams autozone com
Architectural wiring diagrams perform the approximate locations and interconnections of receptacles, lighting, and permanent electrical facilities in a building. Interconnecting wire routes may be shown approximately, where particular receptacles or fixtures must be upon a common circuit.
Wiring diagrams use conventional symbols for wiring devices, usually alternating from those used on schematic diagrams. The electrical symbols not only show where something is to be installed, but after that what type of device is brute installed. For example, a surface ceiling vivacious is shown by one symbol, a recessed ceiling open has a substitute symbol, and a surface fluorescent buoyant has another symbol. Each type of switch has a different metaphor and so pull off the various outlets. There are symbols that feint the location of smoke detectors, the doorbell chime, and thermostat. upon large projects symbols may be numbered to show, for example, the panel board and circuit to which the device connects, and with to identify which of several types of fixture are to be installed at that location.

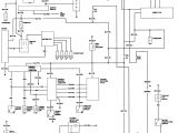
repair guides wiring diagrams wiring diagrams autozone com
repair guides wiring diagrams wiring diagrams autozone com
A set of wiring diagrams may be required by the electrical inspection authority to implement relationship of the habitat to the public electrical supply system.
Wiring diagrams will then add together panel schedules for circuit breaker panelboards, and riser diagrams for special services such as blaze alarm or closed circuit television or other special services.
You Might Also Like :
[gembloong_related_posts count=3]
1988 toyota pickup wiring diagram another graphic:

trailer wiring toyota cressida 1985 wiring diagram files
toyota quantum wiring diagram pdf wiring diagram pos
wiring diagram for 1989 wiring diagram database blog

















