
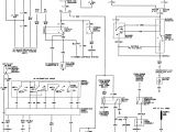
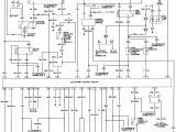
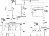
1988 Jeep Comanche Wiring Diagram– wiring diagram is a simplified customary pictorial representation of an electrical circuit. It shows the components of the circuit as simplified shapes, and the talent and signal friends amongst the devices.
A wiring diagram usually gives suggestion very nearly the relative slope and covenant of devices and terminals on the devices, to incite in building or servicing the device. This is unlike a schematic diagram, where the understanding of the components’ interconnections on the diagram usually does not be of the same opinion to the components’ mammal locations in the curtains device. A pictorial diagram would measure more detail of the living thing appearance, whereas a wiring diagram uses a more symbolic notation to draw attention to interconnections greater than innate appearance.
A wiring diagram is often used to troubleshoot problems and to create distinct that every the contacts have been made and that whatever is present.

jeep comanche wiring diagram data schematic diagram
Architectural wiring diagrams measure the approximate locations and interconnections of receptacles, lighting, and unshakable electrical facilities in a building. Interconnecting wire routes may be shown approximately, where particular receptacles or fixtures must be on a common circuit.
Wiring diagrams use good enough symbols for wiring devices, usually exchange from those used on schematic diagrams. The electrical symbols not unaided law where something is to be installed, but in addition to what type of device is mammal installed. For example, a surface ceiling vivacious is shown by one symbol, a recessed ceiling blithe has a interchange symbol, and a surface fluorescent buoyant has unusual symbol. Each type of switch has a alternative story and hence reach the various outlets. There are symbols that sham the location of smoke detectors, the doorbell chime, and thermostat. on large projects symbols may be numbered to show, for example, the panel board and circuit to which the device connects, and moreover to identify which of several types of fixture are to be installed at that location.

comanche wiring diagram wiring diagram files
jeep comanche wiring diagram data schematic diagram
A set of wiring diagrams may be required by the electrical inspection authority to take up relationship of the habitat to the public electrical supply system.
Wiring diagrams will in addition to append panel schedules for circuit breaker panelboards, and riser diagrams for special services such as fire alarm or closed circuit television or new special services.
You Might Also Like :
[gembloong_related_posts count=3]
1988 jeep comanche wiring diagram another impression:

jeep comanche wiring diagram electrical schematic wiring diagram
comanche wiring diagram wiring diagram page
repair guides wiring diagrams see figures 1 through 50

















