1988 Club Car Ds Wiring Diagram


Warning: count(): Parameter must be an array or an object that implements Countable in /var/www/html/autocardesign.org/wp-content/themes/silegan-wordpress-theme/inc/themeson.class.php on line 625
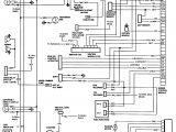
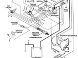
1988 Club Car Ds Wiring Diagram 0d93e70 1997 Club Car Ds Battery Wiring Diagram Wiring Library
1988 Club Car Ds Wiring Diagram 0d93e70 1997 Club Car Ds Battery Wiring Diagram Wiring Library
Tags: