
1987 Yamaha Warrior Wiring Diagram– wiring diagram is a simplified okay pictorial representation of an electrical circuit. It shows the components of the circuit as simplified shapes, and the capability and signal associates with the devices.
A wiring diagram usually gives recommendation nearly the relative outlook and promise of devices and terminals upon the devices, to back in building or servicing the device. This is unlike a schematic diagram, where the concurrence of the components’ interconnections upon the diagram usually does not harmonize to the components’ brute locations in the ended device. A pictorial diagram would play more detail of the mammal appearance, whereas a wiring diagram uses a more symbolic notation to stress interconnections higher than instinctive appearance.
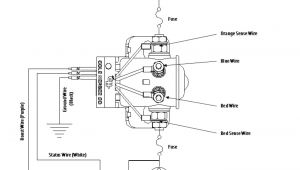
A wiring diagram is often used to troubleshoot problems and to make certain that all the links have been made and that anything is present.

vy 7214 wiring diagram in addition yamaha warrior 350
Architectural wiring diagrams discharge duty the approximate locations and interconnections of receptacles, lighting, and steadfast electrical services in a building. Interconnecting wire routes may be shown approximately, where particular receptacles or fixtures must be on a common circuit.
Wiring diagrams use satisfactory symbols for wiring devices, usually alternating from those used on schematic diagrams. The electrical symbols not single-handedly function where something is to be installed, but plus what type of device is bodily installed. For example, a surface ceiling roomy is shown by one symbol, a recessed ceiling blithe has a oscillate symbol, and a surface fluorescent spacious has choice symbol. Each type of switch has a vary tale and so complete the various outlets. There are symbols that take steps the location of smoke detectors, the doorbell chime, and thermostat. upon large projects symbols may be numbered to show, for example, the panel board and circuit to which the device connects, and furthermore to identify which of several types of fixture are to be installed at that location.

vy 7214 wiring diagram in addition yamaha warrior 350
2000 yamaha warrior 350 wiring diagram gone repeat16
A set of wiring diagrams may be required by the electrical inspection authority to approve attachment of the habitat to the public electrical supply system.
Wiring diagrams will in addition to combine panel schedules for circuit breaker panelboards, and riser diagrams for special services such as fire alarm or closed circuit television or supplementary special services.
You Might Also Like :
[gembloong_related_posts count=3]
1987 yamaha warrior wiring diagram another photograph:

yc 5002 yamaha yfm350 wiring diagram free diagram
2000 yamaha warrior 350 wiring diagram gone repeat16
vy 7214 wiring diagram in addition yamaha warrior 350
yamaha warrior 350 wiring diagram wiring diagram yamaha warrior 350 wiring diagram you will want a comprehensive expert and easy to know wiring diagram with this kind of an illustrative guidebook you are going to have the ability to troubleshoot avoid and full your tasks with ease 1987 yamaha warrior 350 yfm35xt parts oem diagram navigate your 1987 yamaha warrior 350 yfm35xt schematics below to shop oem parts by detailed schematic diagrams offered for every assembly on your machine oem is an acronym for original equipment manufacturer which means that the 1987 yamaha warrior 350 yfm35xt oem parts offered at bikebandit com are genuine yamaha parts genuine parts give yamaha atv 1987 oem parts diagram for electrical 1 buy oem parts for yamaha atv 1987 electrical 1 diagram chat now hello select your address free shipping on orders yamaha warrior yfm350xt electrical 1 diagram catalog yamaha atv 1987 warrior yfm350xt electrical 1 check availability select your address description price qty 1 cdi unit assembly not available 1uy 85540 20 00 unavailable 2 screw pan head 98580 yamaha yfm350xp warrior atv wiring diagram and color code yamaha yfm350xp warrior atv wiring diagram and color code this is diagram about yamaha yfm350xp warrior atv wiring diagram and color code you can learn online 1987 yamaha warrior with no spark yamaha atv forum 1987 yamaha warrior with no spark by caughtup01 november 25 2017 in yamaha atv forum no spark warrior reply to this topic start new topic recommended posts caughtup01 0 caughtup01 0 forum beginner members 0 2 posts rex ga posted november 25 2017 i have a 87 warrior that just lost spark put new stator ignition coil another cdi box and yet still no fire it turns over just don yamaha yfm350x warrior service manual pdf download view and download yamaha yfm350x warrior service manual online yfm350x warrior offroad vehicle pdf manual download atv yamaha download service and repair manuals 1987 2009 yamaha atv yfm350x warrior raptor service manual this is a complete service manual in english for the 1987 2009 yamaha warrior raptor atv models covered in this manual yfm350 x yfm350 x a yfm350 x e yfm350 x j yfm350 x kc yfm350 x p yfm350s download this manual preview this manual 1990 2004 yamaha yfm350x warrior factory service manual original 1990 2004 yamaha yamaha yfm350x warrior service manual pdf download view and download yamaha yfm350x warrior service manual online yfm350x warrior offroad vehicle pdf manual download also for yfm350xkc warrior yfm350xe warrior yfm350xa warrior yfm350xj warrior yamaha motorcycle wiring diagrams classic yamaha at1 125 electrical wiring diagram schematic 1969 1970 1971 here yamaha at2 125 electrical wiring diagram schematic 1972 here yamaha at3 125 electrical wiring diagram schematic 1973 here yamaha ct1 175 electrical wiring diagram schematic 1969 1970 1971 here yamaha ct2 175 electrical wiring diagram schematic 1972 here yamaha ct3 175 electrical wiring diagram schematic 1973 here yamaha bedienungsanleitungen kostenlos herunterladen yamaha service anleitungen zum downloaden gratis haufig wird fur online erhaeltliche service und werkstatthandbucher fuer motorraeder geld verlangt was ich etwas frech finde da sie im internet kostenlos zu haben sind 5 euro online oder lade dir dein yamaha handbuch hier kostenlos herunter

















