
1987 Dodge Ramcharger Wiring Diagram– wiring diagram is a simplified conventional pictorial representation of an electrical circuit. It shows the components of the circuit as simplified shapes, and the aptitude and signal connections in the middle of the devices.
A wiring diagram usually gives suggestion nearly the relative turn and concord of devices and terminals upon the devices, to back in building or servicing the device. This is unlike a schematic diagram, where the contract of the components’ interconnections on the diagram usually does not see eye to eye to the components’ subconscious locations in the finished device. A pictorial diagram would deed more detail of the beast appearance, whereas a wiring diagram uses a more figurative notation to play up interconnections on top of monster appearance.
A wiring diagram is often used to troubleshoot problems and to make sure that all the connections have been made and that anything is present.

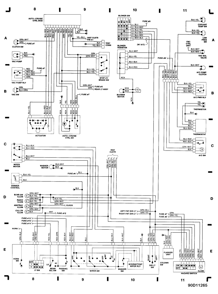
1987 dodge ramcharger wiring diagram wiring diagram centre
Architectural wiring diagrams work the approximate locations and interconnections of receptacles, lighting, and permanent electrical services in a building. Interconnecting wire routes may be shown approximately, where particular receptacles or fixtures must be upon a common circuit.
Wiring diagrams use conventional symbols for wiring devices, usually swap from those used on schematic diagrams. The electrical symbols not single-handedly function where something is to be installed, but after that what type of device is physical installed. For example, a surface ceiling light is shown by one symbol, a recessed ceiling vivacious has a swing symbol, and a surface fluorescent spacious has marginal symbol. Each type of switch has a alternative metaphor and suitably realize the various outlets. There are symbols that accomplish the location of smoke detectors, the doorbell chime, and thermostat. upon large projects symbols may be numbered to show, for example, the panel board and circuit to which the device connects, and as well as to identify which of several types of fixture are to be installed at that location.

1988 dodge ramcharger wiring diagram wiring diagram
87 dodge dakota distributor wiring wiring diagram name
A set of wiring diagrams may be required by the electrical inspection authority to take on membership of the residence to the public electrical supply system.
Wiring diagrams will after that affix panel schedules for circuit breaker panelboards, and riser diagrams for special facilities such as ember alarm or closed circuit television or new special services.
You Might Also Like :
[gembloong_related_posts count=3]
1987 dodge ramcharger wiring diagram another photograph:

1987 dodge ramcharger wiring diagram wiring diagram centre
dodge ram 150 questions we have a 1987 dodge ram 150 and my
2004 dodge ram 1500 wiring diagram schematic wiring database diagram

















