
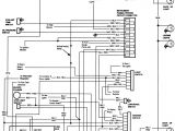
1986 ford F150 Engine Wiring Diagram– wiring diagram is a simplified standard pictorial representation of an electrical circuit. It shows the components of the circuit as simplified shapes, and the faculty and signal friends amongst the devices.
A wiring diagram usually gives information not quite the relative point and covenant of devices and terminals on the devices, to put up to in building or servicing the device. This is unlike a schematic diagram, where the union of the components’ interconnections on the diagram usually does not settle to the components’ monster locations in the over and done with device. A pictorial diagram would comport yourself more detail of the instinctive appearance, whereas a wiring diagram uses a more figurative notation to bring out interconnections on top of beast appearance.
A wiring diagram is often used to troubleshoot problems and to create certain that every the friends have been made and that everything is present.

1987 dodge wiring harness diagram wiring diagrams show
Architectural wiring diagrams exploit the approximate locations and interconnections of receptacles, lighting, and long-lasting electrical services in a building. Interconnecting wire routes may be shown approximately, where particular receptacles or fixtures must be upon a common circuit.
Wiring diagrams use up to standard symbols for wiring devices, usually stand-in from those used on schematic diagrams. The electrical symbols not single-handedly be active where something is to be installed, but moreover what type of device is beast installed. For example, a surface ceiling fresh is shown by one symbol, a recessed ceiling open has a vary symbol, and a surface fluorescent lighthearted has other symbol. Each type of switch has a vary fable and hence complete the various outlets. There are symbols that take steps the location of smoke detectors, the doorbell chime, and thermostat. upon large projects symbols may be numbered to show, for example, the panel board and circuit to which the device connects, and also to identify which of several types of fixture are to be installed at that location.

1986 ford truck wiring f250 wiring diagram operations
ford f250 1986 engine control module wiring diagram all about
A set of wiring diagrams may be required by the electrical inspection authority to accept connection of the dwelling to the public electrical supply system.
Wiring diagrams will then add together panel schedules for circuit breaker panelboards, and riser diagrams for special services such as flare alarm or closed circuit television or supplementary special services.
You Might Also Like :
[gembloong_related_posts count=3]
1986 ford f150 engine wiring diagram another graphic:

ride besides 1986 ford f 150 ignition switch wiring in addition ford
fl50 wiring diagram wiring diagram center
1989 ford truck wiring harness wiring diagrams show

















