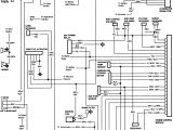
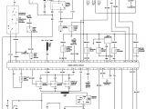
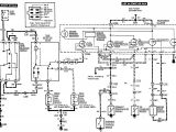
1984 ford F350 Wiring Diagram


Warning: count(): Parameter must be an array or an object that implements Countable in /var/www/html/autocardesign.org/wp-content/themes/silegan-wordpress-theme/inc/themeson.class.php on line 625
1984 ford F350 Wiring Diagram 2012 Dodge Wiring Diagram Diagram Base Website Wiring
1984 ford F350 Wiring Diagram 2012 Dodge Wiring Diagram Diagram Base Website Wiring